Zajadacz EVI

SIEM SIRIUS 3RQ3 3RQ3070-1SG30

Koppelrelais Halbleiterausg. SIRIUS 3RQ3

Artikel
4746211
Lieferanten Typ
3RQ3070-1SG30
Lieferanten Artikel
3RQ30701SG30

Beschreibung

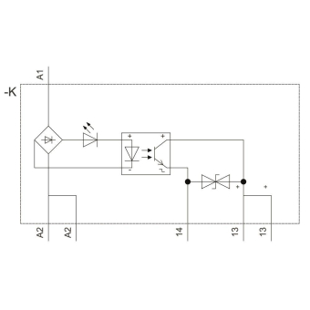
!!! Auslaufprodukt !!! Der präferierte Nachfolger ist 3RQ4070-1SG30 Eingangskoppler Optokoppler 1 Schließer, Transistor Eingang AC/DC 110-230 V Ausgang DC max. 30 V, 0,5 A kurzschlussfest Baubreite 6,2 mm Schraubanschluss thermischer Strom 0,5 A Koppelrelais mit Halbleiterausgang (nicht steckbar) SIRIUS 3RQ3 für die galvanische Trennung, Verstärkung und Signalanpassung zwischen Steuerung und Peripherie. Sehr schmal und kompakt. Schnelles und fehlerfreies Verdrahten auf Grund der durchgängigen Brückbarkeit aller Potenziale. Mehrere Beschriftungsflächen zur Klemmen- und Gerätekennzeichnung vorhanden. Lieferbar als Koppelrelais mit Relaisausgang, mit Halbleiterausgang oder mit Steckrelais, mit verschiedenen Betriebsspannungen und Ausgangsströmen sowie mit hartvergoldeten Kontakten oder mit Hand-Automatik-Umschaltung. Einheitliches Zubehör für sämtliche Gerätevarianten, wie z.B. Verbindungskämme, Klippschilder oder Potenzialtrennplatten vereinfachen die Auswahl und die Lagerhaltung. SIRIUS Relais - ein Programm für alle Fälle.

Hersteller-Seite

Artikeleigenschaften

Zolltarif-Nr.
85364900
EcoVadis Bewertung
Teilnahme/Konformität UNGC
EPD / PEP ecopassport
ISO 50001 Zertifizierung
ISO 14001 Zertifizierung
Ursprungs-Land
TN
WEEE-Land
DE
WEEE-Nummer
23691322
Ausführung des elektrischen Anschlusses
Schraubanschluss
Komplettgerät mit Sockel
Mit abnehmbaren Klemmen
Mit LED-Anzeige
Bemessungssteuerspeisespannung AC 50 Hz
110 - 230 V
Bemessungssteuerspeisespannung AC 60 Hz
110 - 230 V
Bemessungssteuerspeisespannung DC
110 - 230 V
Spannungsart zur Betätigung
AC/DC
Anzahl der Kontakte als Schließer
1
Art des Schaltkontaktes
sonstige
Mit zwangsgeführten Kontakten
Spannungsart der Betriebsspannung
AC/DC
Betriebsspannung AC 50 Hz
110 - 230 V
Betriebsspannung AC 60 Hz
110 - 230 V
Betriebsspannung DC
110 - 230 V
Schutzart (IP)
IP20
Breite
6,2 mm
Höhe
93 mm
Tiefe
72,5 mm
ETIM-Klasse
Schaltrelais

Zubehör

Oft zusammen gekauft