Zajadacz EVI

SIEM Stern-Dreieck- 3RA2434-8XF32-1AL2

Kombination AC 3: 22/30kW/400V AC 230V,

Artikel
4334590
Lieferanten Typ
3RA2434-8XF32-1AL2
Lieferanten Artikel
3RA24348XF321AL2

Beschreibung

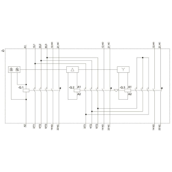
Stern-Dreieck-Kombination AC-3, 22/30 kW/400 V, AC 230 V 50/60 Hz, 3-polig, Baugröße S2 Schraubanschluss elektrische und mechanische Verriegelung 3 S + 3 Ö integriert Stern-Dreieck-Kombination SIRIUS 3RA24 zum schonenden Anlauf von Drehstromasynchronmotoren. Die Stern-Dreieck-Kombination 3RA24 ist eine geprüfte und werkseitig vormontierte Kombination aus drei Schützen 3RT2, die bereits fertig verdrahtet sowie mechanisch und elektrisch verriegelt sind. Das zudem enthaltene Funktionsmodul mit integrierter Steuerlogik und Zeiteinstellung ersetzt die komplette Verdrahtung im Steuerstromkreis. Sie sind klimafest, weltweit zugelassen (z. B. IEC und UL/CSA) und IE3/IE4 ready. Die Stern-Dreick-Kombinationen 3RA24 sind mit AC- und DC-Betätigung in den Baugrößen S00 bis S3 erhältlich. Sie werden in Schraub- und Federzuganschlusstechnik für Montage auf Hutschiene oder Schraubbefestigung angeboten. Zudem sind Varianten für die Anbindung an IO-Link oder AS-Interface erhältlich. Das Zubehör der Schütze 3RT2 ist einheitlich für alle Baugrößen und kann auch für die Schützkombinationen verwendet werden. Die Stern-Dreieck-Kombinationen 3RA24 lösen die bewährte Baureihe 3RA14 ab. Einfach, effizient, immer aktuell - der SIRIUS Systembaukasten.

Hersteller-Seite

Artikeleigenschaften

Zolltarif-Nr.
85364900
EcoVadis Bewertung
Teilnahme/Konformität UNGC
EPD / PEP ecopassport
ISO 50001 Zertifizierung
ISO 14001 Zertifizierung
Reach
2026-02-18 - Ja
Ursprungs-Land
DE
WEEE-Land
DE
WEEE-Nummer
23691322
Funktion
Stern-Dreieck-Schütz
Bemessungssteuerspeisespannung AC 50 Hz
230 - 230 V
Bemessungssteuerspeisespannung AC 60 Hz
230 - 230 V
Spannungsart zur Betätigung
AC
Anzahl der Öffner als Hauptkontakte
0
Anzahl der Schließer als Hauptkontakte
3
Anschlussart Hauptstromkreis
Schraubanschluss
Bemessungsbetriebsstrom Ie bei AC-3, 400 V
65 A
Bemessungsbetriebsleistung bei AC-3, 400 V
22 kW
Ausführung elektrischer Anschluss für Hilfs- und Steuerstromkreis
Schraubanschluss
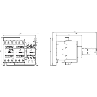
Schutzart (IP)
IP20
Schutzart (NEMA)
sonstige
Breite
177,5 mm
Höhe
142 mm
Tiefe
223 mm
ETIM-Klasse
Schützkombination

Zubehör

Oft zusammen gekauft