Zajadacz EVI

SIEM Überwachungsrelais, 3UG4822-2AA40

digital, Stromüberwachung, 22.5mm für IO

Artikel
3877561
Lieferanten Typ
3UG4822-2AA40
Lieferanten Artikel
3UG48222AA40

Beschreibung

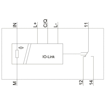
!!! Auslaufprodukt !!! Der präferierte Nachfolger ist 3UG5842-2AA40 Digitales Überwachungsrelais Stromüberwachung, 22.5 mm für IO-Link AC/DC 0,05...10,0 A Über- und Unterstrom Wandlerskalierungsfaktor Hysterese 0,01 bis 5,0 A Anlaufverzögerungszeit Auslöseverzögerungszeit 1 Wechsler, Federzugtechnik Digital einstellbares Stromüberwachungsrelais SIRIUS 3UG4 für die Überwachung von Strömen auf Über- und Unterschreitung, z. B. zur Sicherstellung der Funktionalität von elektrischen Verbrauchern oder zur Drahtbruchüberwachung. Weltweiter Einsatz durch internationale Zertifikate. Das Relais ist variabel einstellbar auf Über-, Unterschreitung oder Fensterüberwachung. Verzögerungszeiten und RESET-Verhalten sind frei parametrierbar. Weniger Platzbedarf im Schaltschrank dank einer schmalen Baubreite. Verlässliche Diagnose durch Anzeige von IST-Wert und Statusmeldungen. Alle Ausführungen mit abnehmbaren Anschlussklemmen. Neben Schraubanschlusstechnik stehen die Geräte auch durchgängig mit Federzuganschluss für einen schnellen, wartungsfreien und rüttelsicheren Anschluss zur Verfügung. Sie sind außerdem in verschiedenen Spannungen erhältlich, wahlweise mit IO-Link. Das umfassende Zubehör, wie z.B. Gerätekennzeichnungsschilder, Einstecklaschen und Abdeckkappen ist einheitlich für alle Relais. SIRIUS Relais - ein Programm für alle Fälle.

Hersteller-Seite

Artikeleigenschaften

Zolltarif-Nr.
85364900
EcoVadis Bewertung
Teilnahme/Konformität UNGC
EPD / PEP ecopassport
ISO 50001 Zertifizierung
ISO 14001 Zertifizierung
Reach
2026-02-18 - Ja
Ursprungs-Land
CZ
WEEE-Land
DE
WEEE-Nummer
23691322
Ausführung des elektrischen Anschlusses
Federzuganschluss
Mit abnehmbaren Klemmen
Externe Stromversorgung erforderlich
Spannungsart der Versorgungsspannung
DC
Versorgungsspannung DC
18 - 30 V
Spannungsmessbereich
24 - 24 V
Stromart
AC/DC
Strommessbereich
0.05 - 750 A
Ansprechwert Stromstärke 1
0.1 - 10 A
Ansprechwert Stromstärke 2
0.1 - 10 A
1-Phasen-Unterstrom möglich
3-Phasen-Unterstrom möglich
1-Phasen-Überstrom möglich
3-Phasen-Überstrom möglich
1-Phasen-Fenster möglich
3-Phasen-Fenster möglich
Enthält Funktion Gleichspannung-Unterstrom
Enthält Funktion Gleichspannung-Überstrom
Funktion Gleichstrom-Fenster
Min. einstellbare Ansprechverzögerungszeit
0 s
Max. zulässige Ansprechverzögerungszeit
999,9 s
Min. einstellbare Rückfallverzögerungszeit
0 s
Max. zulässige Rückfallverzögerungszeit
999,9 s
Externer Stromwandler
Anzahl der Kontakte als Öffner
0
Anzahl der Kontakte als Schließer
0
Anzahl der Kontakte als Wechsler
1
Spannungsart der Betriebsspannung
DC
Betriebsspannung AC 50 Hz
24 - 240 V
Betriebsspannung AC 60 Hz
24 - 240 V
Betriebsspannung DC
24 - 240 V
Bemessungsschaltstrom
3 A
Breite
22,5 mm
Höhe
94 mm
Tiefe
91 mm
ETIM-Klasse
Stromüberwachungsgerät

Zubehör

Oft zusammen gekauft