Zajadacz EVI

SIEM Überwachungsrelais, 3UG4832-1AA40

digital, Spannungsüberwachung, 22.5mm

Artikel
3877558
Lieferanten Typ
3UG4832-1AA40
Lieferanten Artikel
3UG48321AA40

Beschreibung

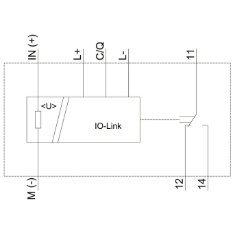
!!! Auslaufprodukt !!! Der präferierte Nachfolger ist 3UG5842-1AA40 Digitales Überwachungsrelais Spannungsüberwachung, 22.5 mm für IO-Link AC/DC 10...600 V Über-und Unterspannung Hysterese 0.1 bis 300 V Anlaufverzögerungszeit Auslöseverzögerungszeit 1 Wechsler, Schraubanschluss Digital einstellbares Spannungsüberwachungsrelais SIRIUS 3UG4 für die Überwachung von Spannungen auf Über- und Unterschreitung, z.B. zum Schutz einer Anlage vor Beschädigung, zum Schutz vor Batterietiefentladung oder zum Zuschalten einer Anlage ab einer definierten Spannung. Weltweiter Einsatz durch internationale Zertifikate. Das Relais ist variabel einstellbar auf Über-, Unterschreitung oder Fensterüberwachung. Verzögerungszeiten und RESET-Verhalten sind frei parametrierbar. Weniger Platzbedarf im Schaltschrank dank einer schmalen Baubreite. Verlässliche Diagnose durch Anzeige von IST-Wert und Statusmeldungen. Alle Ausführungen mit abnehmbaren Anschlussklemmen. Neben Schraubanschlusstechnik stehen die Geräte auch durchgängig mit Federzuganschluss für einen schnellen, wartungsfreien und rüttelsicheren Anschluss zur Verfügung. Die Geräte unterscheiden sich in eigenversorgte und fremdversorgte Geräte, wahlweise in Weitspannung bzw. mit IO-Link. Das umfassende Zubehör, wie z.B. Gerätekennzeichnungsschilder, Einstecklaschen und Abdeckkappen ist einheitlich für alle Relais. SIRIUS Relais - ein Programm für alle Fälle.

Hersteller-Seite

Artikeleigenschaften

Zolltarif-Nr.
85364900
EcoVadis Bewertung
Teilnahme/Konformität UNGC
EPD / PEP ecopassport
ISO 50001 Zertifizierung
ISO 14001 Zertifizierung
Reach
2026-02-18 - Ja
Ursprungs-Land
CZ
WEEE-Land
DE
WEEE-Nummer
23691322
Ausführung des elektrischen Anschlusses
Schraubanschluss
Mit abnehmbaren Klemmen
Externe Stromversorgung erforderlich
Spannungsart der Versorgungsspannung
DC
Versorgungsspannung AC 50 Hz
24 - 240 V
Versorgungsspannung AC 60 Hz
24 - 240 V
Versorgungsspannung DC
24 - 240 V
Spannungsmessbereich 1
10 - 600 V
Spannungsart des Messbereichs
AC/DC
Ansprechwert Spannung
10 - 600 V
1-Phasen-Unterspannung möglich
3-Phasen-Unterspannung möglich
1-Phasen-Überspannung möglich
3-Phasen-Überspannung möglich
1-Phasen-Fenster möglich
3-Phasen-Fenster möglich
Enthält Funktion Gleichspannung-Unterspannung
Enthält Funktion Gleichspannung-Überspannung
Enthält Funktion Gleichspannung-Fenster
Min. einstellbare Ansprechverzögerungszeit
0 s
Max. zulässige Ansprechverzögerungszeit
999,9 s
Min. einstellbare Rückfallverzögerungszeit
0 s
Max. zulässige Rückfallverzögerungszeit
999,9 s
Anzahl der Kontakte als Öffner
0
Anzahl der Kontakte als Schließer
0
Anzahl der Kontakte als Wechsler
1
Spannungsart der Betriebsspannung
AC/DC
Betriebsspannung AC 50 Hz
240 - 240 V
Betriebsspannung AC 60 Hz
240 - 240 V
Betriebsspannung DC
24 - 24 V
Bemessungsschaltstrom
3 A
Breite
22,5 mm
Höhe
92 mm
Tiefe
91 mm
ETIM-Klasse
Spannungsüberwachungsgerät

Zubehör

Oft zusammen gekauft