Zajadacz EVI

Siemens 3NE33320B SITOR-Sicherungs-

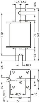
einsatz 400A 1000VAC Gr2/110mm

Artikel
353531
Lieferanten Typ
3NE3332-0B
Lieferanten Artikel
3NE33320B

Beschreibung

SITOR-Sicherungseinsatz, mit geschlitzten Messerkontakten, NH2, In: 400 A, aR, Un AC: 1000 V, Stirnkennmelder SITOR-Sicherungseinsatz SENTRON 3NE3 für SITOR Halbleiterschutzsicherungen. Als wichtiger Bestandteil der SENTRON Schutzkomponenten für die Elektroinstallation bietet das SITOR Sicherungssystem effektiven Personen-, Geräte- und Anlagenschutz durch sicheres Abschalten im Überlast- und Kurzschlussfall. Durch ihre superflinke Abschaltcharakteristik, im Vergleich zu herkömmlichen NH-Sicherungen sowie ihre sehr gute Kennlinientreue, werden auch Leistungshalbleiter sicher geschützt. SENTRON Schutzschaltgeräte - Eine sichere Wahl.

Hersteller-Seite

Artikeleigenschaften

Zolltarif-Nr.
85361090
Ursprungs-Land
GR
WEEE-Land
DE
WEEE-Nummer
23691322
Sicherungs-Baugröße nach IEC 60269
NH2
Spannungsart
AC
Bemessungsstrom
400 A
Bemessungsspannung AC
1000 V
Bemessungsabschaltvermögen AC
100 kA
Betriebsklasse nach IEC 60269
aR
Ausführung Kennmelder
Stirnkennmelder
Isolierte Metallgrifflaschen (IMGL)
Leistungsverlust bei Bemessungsstrom
85 W
ETIM-Klasse
Messersicherung

Zubehör

Oft zusammen gekauft