Zajadacz EVI

Siemens SICAM A8000 6MF2821-2AA00

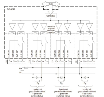
Digitalausgangsmodul DO-8212,8 Ausgänge

Artikel
5808451
Lieferanten Typ
6MF2821-2AA00
Lieferanten Artikel
6MF28212AA00

Beschreibung

DO-8212 DIG AUSG REL 8X24-220VDC/230VAC

Hersteller-Seite

Artikeleigenschaften

Zolltarif-Nr.
85389099
EcoVadis Bewertung
Teilnahme/Konformität UNGC
EPD / PEP ecopassport
ISO 50001 Zertifizierung
ISO 14001 Zertifizierung
Ursprungs-Land
IN
WEEE-Land
DE
WEEE-Nummer
23691322
Versorgungsspannung DC
4.75 - 5.5 V
Anzahl der digitalen Ausgänge
8
Art des Digitalausgangs
Relais
Zulässige Spannung am Ausgang
18 - 250 V
Art der Ausgangsspannung
AC/DC
Ausführung des elektrischen Anschlusses
Schraubanschluss
Breite
30 mm
Höhe
132 mm
Tiefe
124 mm
ETIM-Klasse
SPS-Digitales Ein-/Ausgangs-Modul

Oft zusammen gekauft