Zajadacz EVI

TEGA N-Winkelstecker J01020A0097

CR AG/TA G30 (1.5/3.8) H 155 POPE

Artikel
1798622
Lieferanten Typ
100023902
Lieferanten Artikel
100023902

Beschreibung

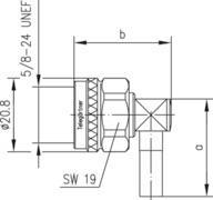
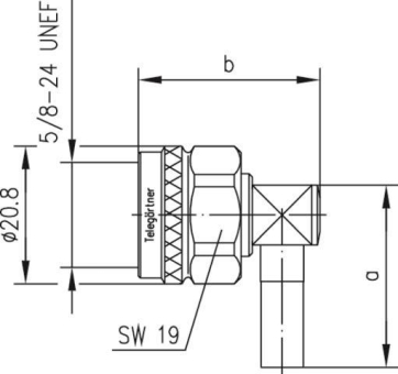
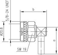
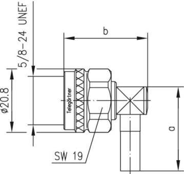
Anmerkungen: löt/crimp Montage: B1831 Brandschutzklasse: Nicht relevant Brennendes Abtropfen: Nicht relevant Rauchentwicklung: Nicht relevant Säureentwicklung: Nicht relevant Abmessungen: a=31, b=31 Crimpeinsatz: N01003A0056 Kabelgruppe; Kabel: G30 (1.5/3.8); G54 (1.5/3.8 FLEX) G30: 02YS(ST)CY 1.4/3.7-50 LI, 1.4/3.8 AF, 7808A, CNT-240, HPF 240, LMR-240, MRC 240 AFB, S 04172 D, TZC 500 25, WCX240, 02YS(ST)CY 1.4/3.7-50, SPEEDFOAM 240 HFJ, SX 04172 B-60 G54: H 155, LOW LOSS 1.4/3.8

Hersteller-Seite

Artikeleigenschaften

Zolltarif-Nr.
85366910
Reach
2025-01-21 - Ja
Ursprungs-Land
DE
WEEE-Land
DE
WEEE-Nummer
76541091
Ausführung
Stecker
Steckverbindertyp
N
Winkelstecker
Kontaktausführung
männlich (male)
Anschlussart
Löt/Crimp
Kabeltyp
sonstige
Impedanz
50 Ohm
ETIM-Klasse
Koax-Steckverbinder

Artikelinformationen vom Hersteller

Oft zusammen gekauft