Zajadacz EVI

TEGA SMA-EDGE-mount J01151A0451

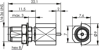
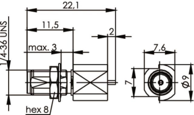
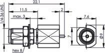
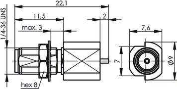
Einbaubuchse AU SMT 50Ohm 903

Artikel
1799254
Lieferanten Typ
100024694
Lieferanten Artikel
100024694

Beschreibung

Brandschutzklasse: Nicht relevant Brennendes Abtropfen: Nicht relevant Rauchentwicklung: Nicht relevant Säureentwicklung: Nicht relevant Oberfläche: Gold Einbaumaß: Z036/Z097

Hersteller-Seite

Artikeleigenschaften

Zolltarif-Nr.
85366930
Reach
2025-01-21 - Ja
Ursprungs-Land
DE
WEEE-Land
DE
WEEE-Nummer
76541091
Ausführung
Buchse (Jack)
Steckverbindertyp
SMA
Winkelstecker
Kontaktausführung
weiblich (female)
Impedanz
50 Ohm
ETIM-Klasse
Koax-Steckverbinder

Artikelinformationen vom Hersteller

Oft zusammen gekauft