Zajadacz EVI

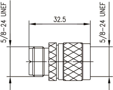
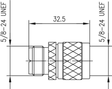
TG Adapter UHF-N (F-M) UG J01043A0832

146/U (NI) J01043A0832

Artikel
1798848
Lieferanten Typ
100024353
Lieferanten Artikel
100024353

Beschreibung

Brandschutzklasse: Nicht relevant Brennendes Abtropfen: Nicht relevant Rauchentwicklung: Nicht relevant Säureentwicklung: Nicht relevant Ausführung: UHF (f) / N (m) MIL-Std.: UG-146 /U

Hersteller-Seite

Artikeleigenschaften

Zolltarif-Nr.
85369095
Reach
2025-01-21 - Ja
Ursprungs-Land
TW
WEEE-Land
DE
WEEE-Nummer
76541091
Bauform
sonstige
Ausführung
Stecker/Buchse
Steckverbindertyp
UHF
Befestigungsart
sonstige
ETIM-Klasse
Koax-Kupplung

Artikelinformationen vom Hersteller

Oft zusammen gekauft