Zajadacz EVI

THEB Reiheneinbau- TR 641 top2 24V

Jahresschaltuhr 1 Kanal erweiterbar und

Artikel
3640965
Lieferanten Typ
TR 641 top2 RC 24V
Lieferanten Artikel
6414300

Beschreibung

1-Kanal-Jahreszeitschaltuhr, RC: Zeitsynchronisation durch Anschluss einer externen DCF-oder GPS-Antenne (bei GPS zusätzlich Positionsbestimmung für Astro-Programm), 4 Kanal Erweiterungsmodul (EM 4 top2) und LAN-Modul (EM LAN top2) anschließbar, Reiheneinbaugehäuse, Breite 3 TE, Jahres-und Astro-Programm, Schnittstelle für OBELISK top2 Speicherkarte (PC-Programmierung), OBELISK Speicherkarte im Lieferumfang, 6 Jahre Gangreserve (Lithium-Batterie), Automatische Sommer-/Winterzeitumschaltung, EIN-AUS Schaltzeiten, Impulsprogramm, Zyklusprogramm, Umfangreiche Jahresuhrfunktionen, Astronomische Schaltfunktion (automatische Berechnung der Sonnenauf-und Untergangszeiten für das ganze Jahr), Astro-Offset, Astro-Impuls, Schaltungsvorwahl, Dauerschaltung EIN/AUS, Ablauf-Timer, Integrierter Betriebsstundenzähler, Externer Taster-/Schaltereingang, Ferienprogramm, 2 Zufallsprogramme, Displaybeleuchtung (abschaltbar), PIN-Codierung, Nulldurchgangschaltung, DuoFix Federsteckklemmen für jeweils 2 Leiter

Hersteller-Seite

Artikeleigenschaften

Zolltarif-Nr.
91070000
Ursprungs-Land
DE
WEEE-Land
DE
WEEE-Nummer
48221059
Montageart
DIN-Schiene
Anzahl der Kanäle
1
Versorgungsspannung
12 - 24 V
Spannungsart der Versorgungsspannung
AC/DC
Frequenz der Versorgungsspannung
50 - 60 Hz
Gangreserve in Jahren
8
Ganggenauigkeit pro Tag
0,5 s
Textführung im Display
Externe Programmierung
Mit Speicherkarte
60 min Programm
24 h Programm
Wochenprogramm
Jahresprogramm
Ferienprogramm
Impulsprogramm
Zyklusprogramm
Astroprogramm
Zufallsprogramm
Betriebsstundenzähler
Netzsynchron
Quarzgesteuert
Funkgesteuert
Funkgesteuert (DCF77)
GPS
Kontaktausführung
Wechsler (NO/NC)
Anzahl der Kontakte
1
Ausgangssignal
sonstige
Kürzeste Schaltzeit Kanal 1
0,016 min
Anzahl der Speicherplätze
800
Automatische Sommer-/Winterzeitumstellung
Geeignet für Handbedienung
Externer Tastereingang
Schaltungsvorwahl
Nennschaltstrom bei 250 V AC
16 A
Potentialfreier Schaltkontakt
Schutzart (IP)
IP20
Breite in Teilungseinheiten
3
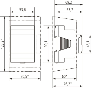
Breite
54 mm
Höhe
86 mm
Tiefe
60 mm
ETIM-Klasse
Verteilerschaltuhr digital

Artikelinformationen vom Hersteller

Zubehör

Oft zusammen gekauft