Zajadacz EVI

TQ Systems Energy Manager EM420-LLRR

2 x LAN , 2 x RS485

Artikel
9034730
Lieferanten Typ
EM420-LLRR

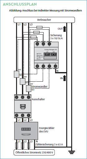
Beschreibung

Messung von elektrischen Größen
Leiterströme, Spannungen, Wirkleistung, Blindleistung, Scheinleistung, Leistungsfaktor je Phase, Wirkenergie, Blindenergie, Scheinenergie in Summe. Umfangreiche Funktionen zur Datenspeicherung, -auswertung und Konnektivität Datenprotokoll Modbus TCP / IP zum Anschluss von Auswertesoftware zum Erlangen ISO 50001 oder Energieaudit auf Basis EN 16247-1. Über die RS485-Schnittstelle können bis zu 96 einzelne Strommessungen durchgeführt werden. Hierzu können max. 8 Sensorbars angeschlossen werden. Zusätzlich Datenzugang über die LAN-Schnitt-stelle. Eingebauter Switch.

Oft zusammen gekauft