Zajadacz EVI

TURCK Induktiver BI2-EG08K-AP6X-H1341

mit erhöhtem Schaltabstand - 4669460

Artikel
2408481
Lieferanten Typ
BI2-EG08K-AP6X-H1341
Lieferanten Artikel
4669460

Beschreibung

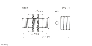
Induktiver Sensor, mit erhöhtem Schaltabstand, Bemessungsschaltabstand 2 mm, Einbaubedingungen bündig, Gewinderohr, M8 x 1, Edelstahl, 1.4305 (AISI 303), großer Erfassungsbereich, DC 3-Draht, 10...30 VDC , Schließer, PNP-Ausgang , Steckverbinder, M12 x 1

Hersteller-Seite

Artikeleigenschaften

Zolltarif-Nr.
85365019
Ursprungs-Land
LK
WEEE-Land
DE
WEEE-Nummer
71889523
Länge des Sensors
41 mm
Durchmesser Sensor
8 mm
Mechanische Einbaubedingung für Sensor
bündig
Schaltabstand
2 mm
Geeignet für Sicherheitsfunktionen
Ausführung der Schaltfunktion
Schließer
Ausführung des Schaltausgangs
PNP
Ausführung des elektrischen Anschlusses
Steckverbinder M12
Art der Betätigung
metallisches Target
Gehäusebauform
Zylinder, Gewinde
Versorgungsspannung
10 - 30 V
Bemessungssteuerspeisespannung DC
10 - 30 V
Spannungsart
DC
Schaltfrequenz
3 Hz
Werkstoff des Gehäuses
Metall
Druckfest
ETIM-Klasse
Induktiver Näherungsschalter

Oft zusammen gekauft