Zajadacz EVI

TURCK Induktiver Sensor BI1,5-EG08-AP6X

BI1,5-EG08-AP6X

Artikel
2408165
Lieferanten Typ
BI1,5-EG08-AP6X
Lieferanten Artikel
4602240

Beschreibung

Induktive Sensoren Zylinderbauform bündig
Die nachfolgenden Sensoren von Turck mit der Bezeichnung Bi..U-...erreichen den angegebenen Schaltabstand sn bei allen Metallarten.
Faktor 1, keinen Reduktionsfaktor
gleicher Sn auf Eisen, Edelstahl, Kupfer, Aluminium und Messing
Erhöhter Schaltabstand, Magnetfeldfest bzw. Schweißfest
Überbündiger Einbau möglich
Auch bekannt unter dem Namen: "Uprox" bzw. "Uprox+"
Ausführung: PNP, Schließer
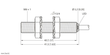
Bauform Gewinderohr M8 x 1 bündig
Gehäusematerial Edelstahl
bündig einbaubar, sn = 1,5 mm/2 mm/3 mm

Hersteller-Seite

Artikeleigenschaften

Zolltarif-Nr.
85365019
Ursprungs-Land
LK
WEEE-Land
DE
WEEE-Nummer
71889523
Länge des Sensors
41,5 mm
Durchmesser Sensor
8 mm
Mechanische Einbaubedingung für Sensor
bündig
Schaltabstand
1,5 mm
Geeignet für Sicherheitsfunktionen
Ausführung der Schaltfunktion
Schließer
Ausführung des Schaltausgangs
PNP
Ausführung des elektrischen Anschlusses
Kabel
Art der Betätigung
metallisches Target
Gehäusebauform
Zylinder, Gewinde
Versorgungsspannung
10 - 30 V
Bemessungssteuerspeisespannung DC
10 - 30 V
Spannungsart
DC
Schaltfrequenz
3 Hz
Werkstoff des Gehäuses
Metall
Druckfest
ETIM-Klasse
Induktiver Näherungsschalter

Oft zusammen gekauft