Zajadacz EVI

Turck REI-05I6E-2H1024-H1181

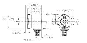
Inkrementaler Drehgeber 100011188

Artikel
6013694
Lieferanten Typ
REI-05I6E-2H1024-H11
Lieferanten Artikel
100011188

Beschreibung

Inkrementaler Drehgeber, Industrial-Line, Auflösung Inkremental 1024 ppr, Flansch mit Statorkupplung, Ø 46mm, Hohlwelle, Ø 6mm, Optisches Messprinzip, Wellenmaterial: Messing, Schutzart Welle IP50, Schutzart Gehäuse IP65, -20 ... +85 °C, max. 6000 U / min, 8...30 VDC, Push-Pull/HTL mit Invertierung, Impulsfrequenz max. 200 kHz, Steckverbinder, M12 x 1, 8-polig, 1024 Impulse pro Umdrehung

Hersteller-Seite

Artikeleigenschaften

Zolltarif-Nr.
90314990
Ursprungs-Land
IN
WEEE-Land
DE
WEEE-Nummer
71889523
Ausführung
Inkrementalgeber
Physikalisches Messprinzip
optisch
Max. Impulszahl
200
Ausführung der Drehgeber-Welle
Hohlwelle
Ausführung des elektrischen Anschlusses
Steckverbinder M12
Standard für Schnittstellen
sonstige
Impulszahl pro Umdrehung
1024
Durchmesser der Welle
6 mm
Werkstoff des Gehäuses
Aluminium
Schutzart (IP)
IP65
ETIM-Klasse
Drehgeber