Zajadacz EVI

WAGO 857-1430 Optokopplermodul,2-fach,

Eingangsnennspannung DC 24 V,lichtgrau

Artikel
3367403
Lieferanten Typ
857-1430
Lieferanten Artikel
857-1430

Beschreibung

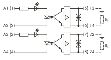
Optokopplermodul; 2-fach; Eingangsnennspannung DC 24 V; Ausgangsspannungsbereich DC 3 ? 31,2 V; Grenzdauerstrom 3 A; 2-Leiter-Anschluss; Statusanzeige gelb; 6 mm Baubreite

Hersteller-Seite

Artikeleigenschaften

Zolltarif-Nr.
85365005
Reach
2020-05-01 - Ja
Ursprungs-Land
DE
WEEE-Land
DE
WEEE-Nummer
40917098
Eingangsspannung
16.8 - 31.2 V
Art der Eingangsspannung
DC
Ausgangsspannung
3 - 31.2 V
Art der Ausgangsspannung
DC
Bemessungsbetriebsstrom Ie
3 A
Art des Digitalausgangs
elektronisch
Mit LED-Anzeige
ETIM-Klasse
Optokoppler

Zubehör

Oft zusammen gekauft