Zajadacz EVI

WAGO 750-514 2-Kanal-Relaisausgang,AC

125 V,0,5A, lichtgrau

Artikel
028459
Lieferanten Typ
750-514
Lieferanten Artikel
750-514

Beschreibung

WAGO I/O-System - 750
"Das kleinste, modular aufgebaute, feldbusunabhängige I/O-System für die dezentrale Automatisierung besticht durch Kompaktheit und Universalität. Es bietet frei programmierbare Controller für KNX/EIB, BACnet, LONWORKS® und MODBUS mit modular anreihbaren physikalischen digitalen/analogen Ein-/ Ausgangsklemmen, sowie Schnittstellen zu DALI, M-Bus, EnOcean-Funktechnik und weiteren.
Die Vielfalt der möglichen Applikationen ist nahezu unendlich, Hardware und Systemaufwand reduzieren sich dagegen auf ein Minimum. Für einfachstes Handling und maximale Effizienz."
Komplette feldseitige Verdrahtung der Busklemmen ohne Festlegung auf den endgültigen Feldbus. Adaptieren an den vom Betreiber geforderten Feldbus durch einfaches Anrasten des jeweiligen Feldbus-Kopplers/-Controllers an die verdrahteten Busklemmen. Die freie Kombination von digitalen und analogen E/A mit verschiedenen Potenzialen, Leistungen, Messsignalen und Sonderfunktionen ermöglicht den Aufbau anwendungsspezifischer Feldbusknoten.
Digitale Ausgangsklemmen
Über die digitale Ausgangsklemme werden Steuersignale aus dem Automatisierungsgerät an die angeschlossenen Aktoren weitergegeben. Alle Ausgänge sind kurzschlussfest ausgeführt. Feld- und Systemebene sind galvanisch getrennt. Für die Versorgung mit DC 5 V ist eine zusätzliche Einspeiseklemme zu setzen!
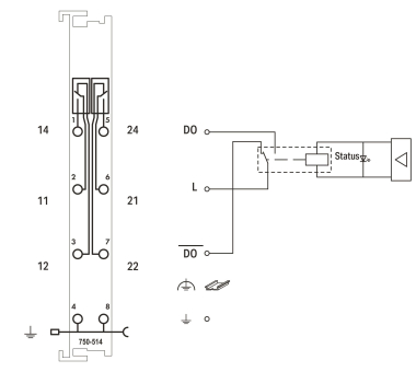
Ausführung: 2-Kanal 125 V AC, 0,5 A, Relais 2 Wechsler, potentialfrei

Hersteller-Seite

Artikeleigenschaften

Zolltarif-Nr.
85371098
Ursprungs-Land
DE
WEEE-Land
DE
WEEE-Nummer
40917098
Versorgungsspannung DC
24 - 24 V
Spannungsart der Versorgungsspannung
DC
Anzahl der digitalen Eingänge
0
Anzahl der digitalen Ausgänge
2
Digitale Eingänge konfigurierbar
Digitale Ausgänge konfigurierbar
Art des Digitalausgangs
Relais
Ausgangsstrom
0,5 A
Zulässige Spannung am Ausgang
125 - 125 V
Art der Ausgangsspannung
AC
Kurzschlussschutz, Ausgänge vorhanden
Anzahl der HW-Schnittstellen Industrial Ethernet
0
Anzahl der Schnittstellen PROFINET
0
Anzahl der HW-Schnittstellen seriell RS-232
0
Anzahl der HW-Schnittstellen seriell RS-422
0
Anzahl der HW-Schnittstellen seriell RS-485
0
Anzahl der HW-Schnittstellen seriell TTY
0
Anzahl der HW-Schnittstellen parallel
0
Anzahl der HW-Schnittstellen Wireless
0
Anzahl der HW-Schnittstellen USB
0
Anzahl der HW-Schnittstellen sonstige
0
Mit optischer Schnittstelle
Unterstützt Protokoll für EtherCAT
Unterstützt Protokoll für TCP/IP
Unterstützt Protokoll für PROFIBUS
Unterstützt Protokoll für CAN
Unterstützt Protokoll für INTERBUS
Unterstützt Protokoll für ASI
Unterstützt Protokoll für KNX
Unterstützt Protokoll für Modbus
Unterstützt Protokoll für Data-Highway
Unterstützt Protokoll für DeviceNet
Unterstützt Protokoll für SUCONET
Unterstützt Protokoll für LON
Unterstützt Protokoll für PROFINET IO
Unterstützt Protokoll für PROFINET CBA
Unterstützt Protokoll für SERCOS
Unterstützt Protokoll für Foundation Fieldbus
Unterstützt Protokoll für EtherNet/IP
Unterstützt Protokoll für AS-Interface Safety at Work
Unterstützt Protokoll für DeviceNet Safety
Unterstützt Protokoll für INTERBUS-Safety
Unterstützt Protokoll für PROFIsafe
Unterstützt Protokoll für SafetyBUS p
Unterstützt Protokoll für sonstige Bussysteme
Funkstandard Bluetooth
Funkstandard WLAN 802.11
Funkstandard GPRS
Funkstandard GSM
Mobilfunkstandard 3G (UMTS)
IO-Link Master
Systemkomponente
Schutzart (IP)
IP20
Ausführung des elektrischen Anschlusses
Federzuganschluss
Feldbusanschluss über seperaten Buskoppler möglich
Geeignet für Tragschienenmontage
Wand-/Direktmontage möglich
Fronteinbau möglich
Rack-Montage möglich
Geeignet für Sicherheitsfunktionen
SIL nach IEC 61508
ohne
Performance Level nach EN ISO 13849-1
ohne
Zugehöriges Betriebsmittel (Ex ia)
Zugehöriges Betriebsmittel (Ex ib)
Explosionsschutz-Kategorie für Gas
ohne
Explosionsschutz-Kategorie für Staub
ohne
Zertifiziert für UL-Gefahrenbereich Klasse I
Zertifiziert für UL-Gefahrenbereich Klasse II
Zertifiziert für UL-Gefahrenbereich Klasse III
Zertifiziert für UL-Gefahrenbereich Division 1
Zertifiziert für UL-Gefahrenbereich Division 2
Zertifiziert für UL-Gefahrenbereich Gruppe A (Acetylen)
Zertifiziert für UL-Gefahrenbereich Gruppe B (Wasserstoff)
Zertifiziert für UL-Gefahrenbereich Gruppe C (Ethylen)
Zertifiziert für UL-Gefahrenbereich Gruppe D (Propan)
Zertifiziert für UL-Gefahrenbereich Gruppe E (Metallstäube)
Zertifiziert für UL-Gefahrenbereich Gruppe F (kohlenstoffhaltige Stäube)
Zertifiziert für UL-Gefahrenbereich Gruppe G (nicht leitende Stäube)
Breite
12 mm
Höhe
100 mm
Tiefe
69,8 mm
ETIM-Klasse
Feldbus, Dez. Peripherie - Digitales Ein-/Ausgangs-Modul

Zubehör

Oft zusammen gekauft