Zajadacz EVI

WAGO 2857-570/024-005 3-Phasen-

Leistungsmessumformer,3x277/480 V/5 A

Artikel
5814675
Lieferanten Typ
2857-570/024-005
Lieferanten Artikel
2857-570/024-005

Beschreibung

3-Phasen-Leistungsmessumformer Serie 2857

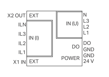
Das 3-Phasen-Leistungsmessmodul im Reiheneinbaugehäuse dient zur Messung elektrischer Daten in dreiphasigen Versorgungsnetzen, abgesetzt von der Steuerungsebene. Messgrößen wie Wirkleistung, Scheinleistung, Blindleistung, Energieverbrauch, Leistungsfaktor, Phasenwinkel sowie Frequenz können über eine Modbus®-Schnittstelle abgerufen werden. Zusätzlich können die Messgrößen auf eine microSD-Karte gespeichert werden.
· Strommessung über 1A-Stromwandler
· Mobile Messung und Speicherung der Messwerte auf microSD-Karte
· Konfigurationsmöglichkeiten Interface-Konfigurationssoftware

Hersteller-Seite

Artikeleigenschaften

Zolltarif-Nr.
85437090
Reach
2020-05-01 - Ja
Ursprungs-Land
DE
WEEE-Land
DE
WEEE-Nummer
40917098
Ausführung des Analogausgangs
sonstige
Anzahl der Phasen
3
Geeignet für Reiheneinbau
Konfigurationsfunktion integriert
Mit Schaltausgang
ETIM-Klasse
Leistungsmessumformer

Zubehör

Oft zusammen gekauft