Zajadacz EVI

WAGO 750-667/000-104 Sicherer

Digitalein-/-ausgang 4/4 Kanäle DC 24V

Artikel
7303196
Lieferanten Typ
750-667/000-104
Lieferanten Artikel
750-667/000-104

Beschreibung

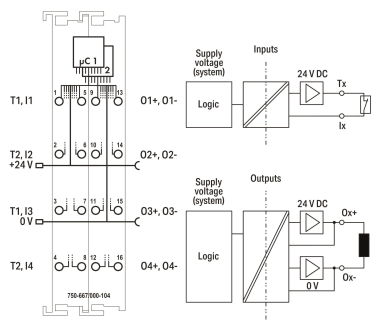
Sicherer Digitalein-/-ausgang, 4/4 Kanäle; DC 24 V; 2A; Logik; PROFIsafe Das Modul (Bestellnr. 75x-667/000-104) verfügt über 4 Leistungsausgänge (O1 … O4) sowie 4 taktsensitive Eingänge (I1 … I4) und kann eine funktional sichere Verknüpfung der sicheren digitalen Eingänge und Ausgänge vornehmen. Auf diese Weise ist das Modul selbständig in der Lage, seine sicheren digitalen Ausgänge anzusteuern. Somit lassen sich sichere Applikationen bis SIL 3 / PL e auch ohne den Einsatz einer Sicherheitssteuerung einfach realisieren, z.B. in Kombination mit den WAGO Steuerungen PFC100, PFC200, PFC300 und dem WAGO Basic Controller 100. Das Modul verfügt über parametrierbare virtuelle Ein- und Ausgänge und ist somit in der Lage, weitere virtuelle Ausgangswerte von einer Steuerung zu empfangen und diese Information mit den sicheren digitalen Eingängen zu verknüpfen. Die interne Logik wird über den WAGO Safety-Editor (SEDI) parametriert. Die Sensoren können direkt mit 24 V oder durch die 2 unterschiedlich getakteten Ausgänge (T1 … T2) gespeist werden. An den Eingängen können sowohl potentialfreie, kontaktbehaftete Not-Aus-Taster, Schutztür- oder Betriebsartenwahlschalter als auch sichere Sensoren oder sichere Halbleiterausgänge (z.B. Lichtschranken, SPS-Ausgänge) angeschlossen werden. Die Leistungsausgänge schalten ohmsche und induktive Lasten gemäß DC 13 mit einem Nennstrom von bis zu 2 A ohne externe Zusatzbeschaltung. Die Leistungsausgänge können sowohl bipolar (High-Side-/Low-Side-Schaltung) als auch unipolar (gemeinsames Potential auf einer Seite der Last) betrieben werden. Kurzschluss, Querschluss und 24V-Fremdeinspeisung werden überwacht. Die Überwachung und weitere sicherheitsrelevante Parameter wie z.B. Betriebsarten bzw. Abschalten der Testimpulse, Diskrepanzzeiten oder Filterzeiten sind über WAGO-I/O-CHECK parametrierbar. Das Parametriertool kann in Engineeringsysteme, welche die Aufrufschnittstelle TCI (Tool Calling Interface) mit CC2 bzw. CC3 unterstützen, komfortabel integriert werden. An dem seitlich angeordneten Kodierschalter oder alternativ über WAGO-I/O-CHECK wird die PROFIsafe-Adresse eingestellt. Das Modul kann ohne eine sichere Steuerung und feldbusunabhängig betrieben werden, unterstützt aber auch das PROFIsafe-Protokoll V2.6 (PROFINET®). Feld- und Systemebene sind galvanisch voneinander getrennt. Die Anordnung der einzelnen sicheren Module ist bei der Projektierung im Feldbusknoten beliebig. Zum Schutz gegen Surge und Burst (gemäß IEC 61000-6-7 und Schifffahrtsbereich) für die 24V-Einspeisung ist ein WAGO Filtermodul oder ein geeigneter externer Filter einzusetzen. Weitere Informationen sind dem Handbuch (Deutsch und Englisch) zu entnehmen! Das Modul (Bestellnr. 75x-667/000-104) wurde von UL gemäß den Standards UL/CSA 61010-1, UL/CSA 61010-2-201 und UL 121201, CSA-C22.2 No. 213 evaluiert. Die Bewertung der funktionalen Sicherheit nach den genannten Normen wurde vom TÜV Rheinland durchgeführt. Weitere Informationen und Beispiele können Sie im WAGO Downloadcenter (link: Learning Material | WAGO Download Centerlink>) finden.

Artikeleigenschaften

Zolltarif-Nr.
85371098
Ursprungs-Land
DE
WEEE-Land
DE
WEEE-Nummer
40917098
Versorgungsspannung DC
24 - 24 V
Spannungsart der Versorgungsspannung
DC
Anzahl der digitalen Eingänge
4
Anzahl der digitalen Ausgänge
4
Digitale Eingänge konfigurierbar
Digitale Ausgänge konfigurierbar
Eingangsstrom bei Signal 1
3 mA
Art der Eingangsspannung
DC
Ausgangsstrom
2 A
Zulässige Spannung am Ausgang
24 - 24 V
Art der Ausgangsspannung
DC
Kurzschlussschutz, Ausgänge vorhanden
Anzahl der HW-Schnittstellen Industrial Ethernet
0
Anzahl der Schnittstellen PROFINET
0
Anzahl der HW-Schnittstellen seriell RS-232
0
Anzahl der HW-Schnittstellen seriell RS-422
0
Anzahl der HW-Schnittstellen seriell RS-485
0
Anzahl der HW-Schnittstellen seriell TTY
0
Anzahl der HW-Schnittstellen parallel
0
Anzahl der HW-Schnittstellen Wireless
0
Anzahl der HW-Schnittstellen USB
0
Anzahl der HW-Schnittstellen sonstige
0
Mit optischer Schnittstelle
Unterstützt Protokoll für EtherCAT
Unterstützt Protokoll für TCP/IP
Unterstützt Protokoll für PROFIBUS
Unterstützt Protokoll für CAN
Unterstützt Protokoll für INTERBUS
Unterstützt Protokoll für ASI
Unterstützt Protokoll für KNX
Unterstützt Protokoll für Modbus
Unterstützt Protokoll für Data-Highway
Unterstützt Protokoll für DeviceNet
Unterstützt Protokoll für SUCONET
Unterstützt Protokoll für LON
Unterstützt Protokoll für PROFINET IO
Unterstützt Protokoll für PROFINET CBA
Unterstützt Protokoll für SERCOS
Unterstützt Protokoll für Foundation Fieldbus
Unterstützt Protokoll für EtherNet/IP
Unterstützt Protokoll für AS-Interface Safety at Work
Unterstützt Protokoll für DeviceNet Safety
Unterstützt Protokoll für INTERBUS-Safety
Unterstützt Protokoll für PROFIsafe
Unterstützt Protokoll für SafetyBUS p
Unterstützt Protokoll für sonstige Bussysteme
Funkstandard Bluetooth
Funkstandard WLAN 802.11
Funkstandard GPRS
Funkstandard GSM
Mobilfunkstandard 3G (UMTS)
IO-Link Master
Systemkomponente
Schutzart (IP)
IP20
Ausführung des elektrischen Anschlusses
Federzuganschluss
Feldbusanschluss über seperaten Buskoppler möglich
Geeignet für Tragschienenmontage
Wand-/Direktmontage möglich
Fronteinbau möglich
Rack-Montage möglich
Geeignet für Sicherheitsfunktionen
SIL nach IEC 61508
3
Performance Level nach EN ISO 13849-1
Level e
Zugehöriges Betriebsmittel (Ex ia)
Zugehöriges Betriebsmittel (Ex ib)
Explosionsschutz-Kategorie für Gas
ATEX Gas-Ex-Schutz, Kat. 3G
Explosionsschutz-Kategorie für Staub
ATEX Staub-Ex-Schutz, Kat. 3D
Zertifiziert für UL-Gefahrenbereich Klasse I
Zertifiziert für UL-Gefahrenbereich Klasse II
Zertifiziert für UL-Gefahrenbereich Klasse III
Zertifiziert für UL-Gefahrenbereich Division 1
Zertifiziert für UL-Gefahrenbereich Division 2
Zertifiziert für UL-Gefahrenbereich Gruppe A (Acetylen)
Zertifiziert für UL-Gefahrenbereich Gruppe B (Wasserstoff)
Zertifiziert für UL-Gefahrenbereich Gruppe C (Ethylen)
Zertifiziert für UL-Gefahrenbereich Gruppe D (Propan)
Zertifiziert für UL-Gefahrenbereich Gruppe E (Metallstäube)
Zertifiziert für UL-Gefahrenbereich Gruppe F (kohlenstoffhaltige Stäube)
Zertifiziert für UL-Gefahrenbereich Gruppe G (nicht leitende Stäube)
Breite
24 mm
Höhe
100 mm
Tiefe
67,8 mm
ETIM-Klasse
Feldbus, Dez. Peripherie - Digitales Ein-/Ausgangs-Modul

Zubehör

Oft zusammen gekauft