Zajadacz EVI

WAGO 750-963 CANopen-Feldbusstecker,mit

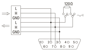
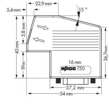
D-Sub-Buchse,9-polig,lichtgrau

Artikel
1832884
Lieferanten Typ
750-963
Lieferanten Artikel
750-963

Beschreibung

CANopen-Feldbusstecker mit D-Sub-Buchse 9-polig lichtgrau

Hersteller-Seite

Artikeleigenschaften

Zolltarif-Nr.
85366990
Ursprungs-Land
DE
WEEE-Land
DE
WEEE-Nummer
40917098
Art des elektrischen Zubehörs
Stecker
Art des mechanischen Zubehörs
sonstige
Zubehör
Ersatzteil
ETIM-Klasse
Zubehör/Ersatzteile für Steuerungen

Zubehör

Oft zusammen gekauft