Zajadacz EVI

WAGO 859-805 DC-DC-Wandler,

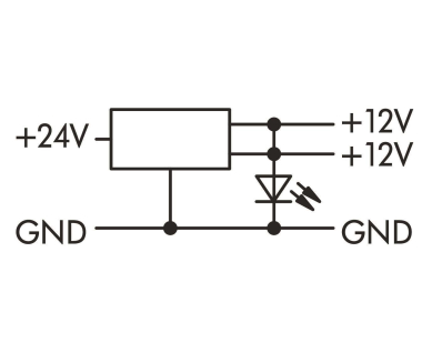
Eingangsspannung DC 24 V

Artikel
1833509
Lieferanten Typ
859-805
Lieferanten Artikel
859-805

Beschreibung

DC-DC-Wandler; Eingangsspannung DC 24 V; Ausgangsspannung DC 12 V; Ausgangsstrom 0,5 A; 2,50 mm²; grau

Hersteller-Seite

Artikeleigenschaften

Zolltarif-Nr.
85044083
Ursprungs-Land
US
WEEE-Land
DE
WEEE-Nummer
40917098
Spannungsart der Versorgungsspannung
DC
1. Ausgangsspannung
12 - 12 V
Max. Ausgangsstrom 1
0,5 A
Ausgangsspannung einstellbar
Nennwert Ausgangsspannung 1
12 V
Nennwert Ausgangsstrom 1
0,5 A
Kurzschlussfest
Bemessungsversorgungsspannung DC
15 - 30 V
Ausgangsspannung geregelt
Leistungsabgabe
6 W
Stabilisiert
Ausführung des elektrischen Anschlusses
Federzuganschluss
Geeignet für Tragschienenmontage
Geeignet für Wandmontage
Geeignet für Reiheneinbau
Breite in Teilungseinheiten
0,33
Einbauhöhe
56 mm
Direktmontage möglich
Breite
6 mm
Höhe
91 mm
Tiefe
91 mm
Geeignet für Sicherheitsfunktionen
Schutzart (IP)
IP20
ETIM-Klasse
Gleichstromversorgung

Zubehör

Oft zusammen gekauft