Zajadacz EVI

WAGO 750-472 2-Kanal-Analogeingang,0

20 mA, Single-Ended,lichtgrau

Artikel
028455
Lieferanten Typ
750-472
Lieferanten Artikel
750-472

Beschreibung

WAGO I/O-System - 750
"Das kleinste, modular aufgebaute, feldbusunabhängige I/O-System für die dezentrale Automatisierung besticht durch Kompaktheit und Universalität. Es bietet frei programmierbare Controller für KNX/EIB, BACnet, LONWORKS® und MODBUS mit modular anreihbaren physikalischen digitalen/analogen Ein-/ Ausgangsklemmen, sowie Schnittstellen zu DALI, M-Bus, EnOcean-Funktechnik und weiteren.
Die Vielfalt der möglichen Applikationen ist nahezu unendlich, Hardware und Systemaufwand reduzieren sich dagegen auf ein Minimum. Für einfachstes Handling und maximale Effizienz."
Komplette feldseitige Verdrahtung der Busklemmen ohne Festlegung auf den endgültigen Feldbus. Adaptieren an den vom Betreiber geforderten Feldbus durch einfaches Anrasten des jeweiligen Feldbus-Kopplers/-Controllers an die verdrahteten Busklemmen. Die freie Kombination von digitalen und analogen E/A mit verschiedenen Potenzialen, Leistungen, Messsignalen und Sonderfunktionen ermöglicht den Aufbau anwendungsspezifischer Feldbusknoten.
Analoge Eingangsklemmen
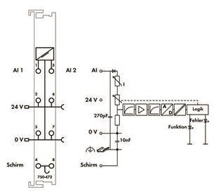
Die analoge Eingangsklemme verarbeitet Signale normierter Größen (Spannung, Strom, Temperatur, Widerstand). Das Eingangssignal wird galvanisch getrennt zur Systemebene übertragen. Zur Spannungsversorgung wird die Systemspannung genutzt. Die Eingangskanäle des Moduls sind Differenzeingänge. Der Schirmanschluss ist direkt zur Tragschiene geführt.
Maße (HxBxT): 64x12x120 mm.
Ausführung: 2-Kanal 0-20 mA, Bit, S.E

Hersteller-Seite

Artikeleigenschaften

Zolltarif-Nr.
85389099
Reach
2020-05-01 - Ja
Ursprungs-Land
DE
WEEE-Land
DE
WEEE-Nummer
40917098
Versorgungsspannung DC
24 - 24 V
Spannungsart der Versorgungsspannung
DC
Leistungsaufnahme
1 W
Eingang, Strom
Eingang, Spannung
Eingang, Widerstand
Eingang, Widerstandsthermometer
Eingang, Thermoelement
Eingangssignal konfigurierbar
Auflösung der Analogeingänge
15 Bit
Ausgang, Strom
Ausgang, Spannung
Ausgangssignal konfigurierbar
Anzahl der analogen Eingänge
2
Anzahl der analogen Ausgänge
0
Analoge Eingänge konfigurierbar
Analoge Ausgänge konfigurierbar
Anzahl der HW-Schnittstellen Industrial Ethernet
0
Anzahl der Schnittstellen PROFINET
0
Anzahl der HW-Schnittstellen seriell RS-232
0
Anzahl der HW-Schnittstellen seriell RS-422
0
Anzahl der HW-Schnittstellen seriell RS-485
0
Anzahl der HW-Schnittstellen seriell TTY
0
Anzahl der HW-Schnittstellen parallel
0
Anzahl der HW-Schnittstellen Wireless
0
Anzahl der HW-Schnittstellen USB
0
Anzahl der HW-Schnittstellen sonstige
0
Unterstützt Protokoll für EtherCAT
Unterstützt Protokoll für TCP/IP
Unterstützt Protokoll für PROFIBUS
Unterstützt Protokoll für CAN
Unterstützt Protokoll für INTERBUS
Unterstützt Protokoll für ASI
Unterstützt Protokoll für KNX
Unterstützt Protokoll für Modbus
Unterstützt Protokoll für Data-Highway
Unterstützt Protokoll für DeviceNet
Unterstützt Protokoll für SUCONET
Unterstützt Protokoll für LON
Unterstützt Protokoll für PROFINET IO
Unterstützt Protokoll für PROFINET CBA
Unterstützt Protokoll für SERCOS
Unterstützt Protokoll für Foundation Fieldbus
Unterstützt Protokoll für EtherNet/IP
Unterstützt Protokoll für AS-Interface Safety at Work
Unterstützt Protokoll für DeviceNet Safety
Unterstützt Protokoll für INTERBUS-Safety
Unterstützt Protokoll für PROFIsafe
Unterstützt Protokoll für SafetyBUS p
Unterstützt Protokoll für sonstige Bussysteme
Funkstandard Bluetooth
Funkstandard WLAN 802.11
Funkstandard GPRS
Funkstandard GSM
Mobilfunkstandard 3G (UMTS)
IO-Link Master
Systemkomponente
Schutzart (IP)
IP20
Ausführung des elektrischen Anschlusses
Federzuganschluss
Feldbusanschluss über seperaten Buskoppler möglich
Geeignet für Tragschienenmontage
Wand-/Direktmontage möglich
Fronteinbau möglich
Rack-Montage möglich
Geeignet für Sicherheitsfunktionen
SIL nach IEC 61508
ohne
Performance Level nach EN ISO 13849-1
ohne
Zugehöriges Betriebsmittel (Ex ia)
Zugehöriges Betriebsmittel (Ex ib)
Explosionsschutz-Kategorie für Gas
ATEX Gas-Ex-Schutz, Kat. 3G
Explosionsschutz-Kategorie für Staub
ATEX Staub-Ex-Schutz, Kat. 3D
Zertifiziert für UL-Gefahrenbereich Klasse I
Zertifiziert für UL-Gefahrenbereich Klasse II
Zertifiziert für UL-Gefahrenbereich Klasse III
Zertifiziert für UL-Gefahrenbereich Division 1
Zertifiziert für UL-Gefahrenbereich Division 2
Zertifiziert für UL-Gefahrenbereich Gruppe A (Acetylen)
Zertifiziert für UL-Gefahrenbereich Gruppe B (Wasserstoff)
Zertifiziert für UL-Gefahrenbereich Gruppe C (Ethylen)
Zertifiziert für UL-Gefahrenbereich Gruppe D (Propan)
Zertifiziert für UL-Gefahrenbereich Gruppe E (Metallstäube)
Zertifiziert für UL-Gefahrenbereich Gruppe F (kohlenstoffhaltige Stäube)
Zertifiziert für UL-Gefahrenbereich Gruppe G (nicht leitende Stäube)
Breite
12 mm
Höhe
100 mm
Tiefe
69,8 mm
ETIM-Klasse
Feldbus, Dez. Peripherie - Analoges Ein-/Ausgangs-Modul

Zubehör

Oft zusammen gekauft