Zajadacz EVI

WAGO 787-862 Elektronischer

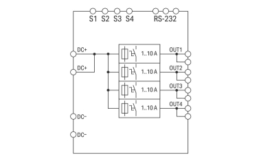
Schutzschalter,4-kanalig

Artikel
3158379
Lieferanten Typ
787-862
Lieferanten Artikel
787-862

Beschreibung

Elektronische Schutzschalter

schützen zuverlässig vor Überlast und Kurzschluss. Einschaltkapazität von 20.000 µF (787-86x) bzw. mehr als 50.000 µF (787-166x). Mit vier Kanälen, in den Strombereichen 1...6 A, 1...8 A und 1...10 A (787-86x), bzw. mit zwei, vier und acht Kanälen, in den Strombereichen 0,5...6 A, 1...6 A und 2...10 A (787-166x). Auslösestrom kanalweise per Drehschalter (787-166x) bzw. Display (787-86x) einstellbar, einige Geräte zusätzlich mit aktiver Strombegrenzung.

Hersteller-Seite

Artikeleigenschaften

Zolltarif-Nr.
85362010
Ursprungs-Land
DE
WEEE-Land
DE
WEEE-Nummer
40917098
Ausführung des elektrischen Anschlusses
Federzuganschluss
Mit abnehmbaren Klemmen
Strommessbereich
1 - 10 A
1-Phasen-Unterstrom möglich
3-Phasen-Unterstrom möglich
1-Phasen-Überstrom möglich
3-Phasen-Überstrom möglich
1-Phasen-Fenster möglich
3-Phasen-Fenster möglich
Enthält Funktion Gleichspannung-Unterstrom
Enthält Funktion Gleichspannung-Überstrom
Funktion Gleichstrom-Fenster
Min. einstellbare Ansprechverzögerungszeit
0,1 s
Max. zulässige Ansprechverzögerungszeit
600 s
Externer Stromwandler
Anzahl der Kontakte als Öffner
0
Anzahl der Kontakte als Schließer
0
Anzahl der Kontakte als Wechsler
0
Breite
40 mm
Höhe
171 mm
Tiefe
163 mm
ETIM-Klasse
Stromüberwachungsgerät

Zubehör

Oft zusammen gekauft