Zajadacz EVI

WAGO 704-2054 Übergabemodul für

Systemverkabelung, Steckverbinder

Artikel
4117879
Lieferanten Typ
704-2054
Lieferanten Artikel
704-2054

Beschreibung

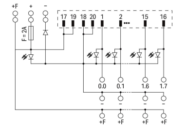
Übergabemodul für Systemverkabelung; Steckverbinder gemäß DIN 41651; Stiftleiste; 20-polig; 16-Kanal-Digitalein- oder -ausgang; 3-Leiter-Anschluss; im Montagesockel

Hersteller-Seite

Artikeleigenschaften

Zolltarif-Nr.
85366990
Ursprungs-Land
FR
WEEE-Land
DE
WEEE-Nummer
40917098
Ausführung elektrischer Anschluss, feldseitig
Federzuganschluss
Ausführung elektrischer Anschluss, steuerseitig
sonstige
Polzahl
48
Bemessungsspannung
50 V
Bemessungsstrom
1 A
Verschmutzungsgrad
2
Tiefe
85 mm
Breite
85 mm
Höhe
85 mm
Montageart
Hutschiene TH35
ETIM-Klasse
Übergabemodul

Zubehör

Oft zusammen gekauft