Zajadacz EVI

WAGO 704-8013 Übergabemodul für

Systemverkabelung, Sub-Min-D,Stiftleiste

Artikel
4117876
Lieferanten Typ
704-8013
Lieferanten Artikel
704-8013

Beschreibung

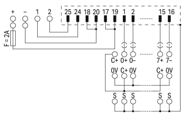
Übergabebaustein für analoge Sensoren (2 und 4 Leiter) 8 Kanäle mit integrierter Trennung 15-polige Sub-D-Buchsenleiste

Hersteller-Seite

Artikeleigenschaften

Zolltarif-Nr.
85366990
Ursprungs-Land
FR
WEEE-Land
DE
WEEE-Nummer
40917098
Ausführung elektrischer Anschluss, feldseitig
Federzuganschluss
Ausführung elektrischer Anschluss, steuerseitig
D-Sub
Polzahl
32
Bemessungsspannung
50 V
Bemessungsstrom
1 A
Verschmutzungsgrad
2
Tiefe
92 mm
Breite
105 mm
Höhe
105 mm
Montageart
Hutschiene TH35
ETIM-Klasse
Übergabemodul

Zubehör

Oft zusammen gekauft