Zajadacz EVI

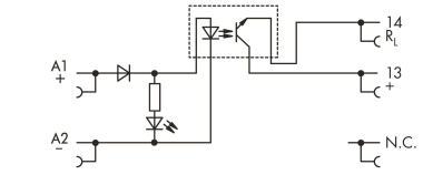
WAGO 857-704 Solid-State-Relaismodul,

Eingangsnennspannung DC 24 V

Artikel
3110798
Lieferanten Typ
857-704
Lieferanten Artikel
857-704

Beschreibung

Solid-State-Relaismodul; Eingangsnennspannung DC 24 V; Ausgangsspannungsbereich DC 0 ? 48 V; Grenzdauerstrom 0,1 A; Statusanzeige gelb; 6 mm Baubreite; grau

Hersteller-Seite

Artikeleigenschaften

Zolltarif-Nr.
85365005
Reach
2020-05-01 - Ja
Ursprungs-Land
CN
WEEE-Land
DE
WEEE-Nummer
40917098
Eingangsspannung
16.8 - 30 V
Art der Eingangsspannung
DC
Ausgangsspannung
0 - 48 V
Art der Ausgangsspannung
DC
Bemessungsbetriebsstrom Ie
0,1 A
Art des Digitalausgangs
elektronisch
Mit LED-Anzeige
ETIM-Klasse
Optokoppler

Zubehör

Oft zusammen gekauft