Zajadacz EVI

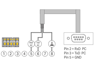
WAGO 787-890 Kommunikationskabel

RS-232,Länge 1,8 m

Artikel
3158386
Lieferanten Typ
787-890
Lieferanten Artikel
787-890

Beschreibung

EPSITRON® Kommunikationskabel
Ausführung: RS232, 1,8 m, für 787-8xx

Hersteller-Seite

Artikeleigenschaften

Zolltarif-Nr.
85444290
Ursprungs-Land
DE
WEEE-Land
DE
WEEE-Nummer
40917098
Steckverbindertyp Anschluss 1
sonstige
Ausführung Anschluss 1
Stecker
Anzahl der Pole Anschluss 1
8
Steckverbindertyp Anschluss 2
D-Sub
Ausführung Anschluss 2
Buchse
Anzahl der Pole Anschluss 2
9
Länge
1,8 m
ETIM-Klasse
PC-Kabel

Zubehör

Oft zusammen gekauft