Zajadacz EVI

WAGO 788-101 Relaissockel,1 Wechsler,für

Elementarrelais 15 mm breit, 25 mm hoch

Artikel
011053
Lieferanten Typ
788-101
Lieferanten Artikel
788-101

Beschreibung

Stecksockel
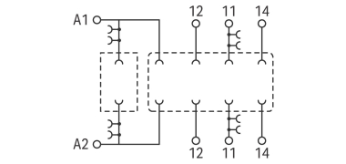
Leersockel für Kleinschaltrelais und Solid-State-Relais; mit CAGE CLAMP® S-Anschluss 0,34-2,5 mm2
Ausführung: Stecksockel für 25 mm hohe Relais, 1 Wechsler

Hersteller-Seite

Artikeleigenschaften

Zolltarif-Nr.
85366990
Ursprungs-Land
CN
WEEE-Land
DE
WEEE-Nummer
40917098
Ausführung des elektrischen Anschlusses
Federzuganschluss
Montageart
Hutschiene TH35
Mit abnehmbaren Klemmen
Funktionale Ergänzung möglich
Anzahl der Pins
8
Breite
15 mm
Höhe
86 mm
Tiefe
86 mm
ETIM-Klasse
Relaissockel

Zubehör

Oft zusammen gekauft