Zajadacz EVI

WAGO 789-912 Sonderelektronikmodul

Artikel
3367392
Lieferanten Typ
789-912
Lieferanten Artikel
789-912

Beschreibung

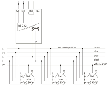
MOD, Interface Resistance RB57 für SMI-Antriebe AC 230 V

Hersteller-Seite

Artikeleigenschaften

Zolltarif-Nr.
85389099
Ursprungs-Land
DE
WEEE-Land
DE
WEEE-Nummer
40917098
Anzahl der Befehlsstellen
0
Anzahl der Drucktaster
0
Anzahl der Leuchtmelder
1
Anzahl der Schlüsselschalter
0
Anzahl der Wahlschalter
0
Anzahl der Pilztaster
0
Geeignet für NOT-AUS
Bemessungssteuerspeisespannung DC
24 - 24 V
Farbe des Gehäuseoberteils
grau
Werkstoff des Gehäuses
Kunststoff
Anzahl der Kontakte als Schließer
0
Anzahl der Kontakte als Öffner
0
Anzahl der Kontakte als Wechsler
0
Schutzart (IP)
IP20
ETIM-Klasse
Befehls- und Meldegeräte-Kombination im Gehäuse

Zubehör

Oft zusammen gekauft