Zajadacz EVI

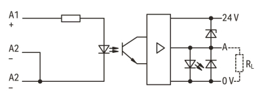
WAGO 286-723 Optokopplermodul,

Eingangsnennspannung DC 24 V

Artikel
015302
Lieferanten Typ
286-723
Lieferanten Artikel
286-723

Beschreibung

Optokopplerbaustein Eingang DC 24 V Ausgang DC 24 V/4 A plusschaltend grau

Hersteller-Seite

Artikeleigenschaften

Zolltarif-Nr.
85365005
Reach
2020-05-01 - Ja
Ursprungs-Land
DE
WEEE-Land
DE
WEEE-Nummer
40917098
Eingangsspannung
15 - 30 V
Art der Eingangsspannung
DC
Ausgangsspannung
20 - 30 V
Art der Ausgangsspannung
DC
Bemessungsbetriebsstrom Ie
4 A
Art des Digitalausgangs
elektronisch
Mit LED-Anzeige
ETIM-Klasse
Optokoppler

Zubehör

Oft zusammen gekauft