Zajadacz EVI

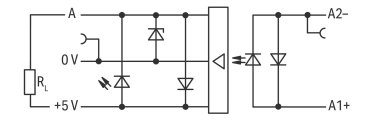
WAGO 859-706 Optokopplermodul,

Eingangsnennspannung DC 24 V

Artikel
1833500
Lieferanten Typ
859-706
Lieferanten Artikel
859-706

Beschreibung

Optokopplermodul; Eingangsnennspannung DC 24 V; Grenzdauerstrom 0,5 A; Frequenz 10 kHz; grau

Hersteller-Seite

Artikeleigenschaften

Zolltarif-Nr.
85365005
Reach
2020-05-01 - Ja
Ursprungs-Land
DE
WEEE-Land
DE
WEEE-Nummer
40917098
Eingangsspannung
18 - 30 V
Art der Eingangsspannung
DC
Ausgangsspannung
4 - 6.25 V
Art der Ausgangsspannung
DC
Bemessungsbetriebsstrom Ie
0,5 A
Art des Digitalausgangs
Transistor
Mit LED-Anzeige
ETIM-Klasse
Optokoppler