Zajadacz EVI

WAGO 288-312 Relaismodul,

Eingangsnennspannung DC 24 V

Artikel
018409
Lieferanten Typ
288-312
Lieferanten Artikel
288-312

Beschreibung

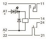
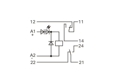
Relaismodul; Eingangsnennspannung DC 24 V; 2 Wechsler; Grenzdauerstrom 6 A; 23 mm Baubreite; 2,50 mm²; grau

Hersteller-Seite

Artikeleigenschaften

Zolltarif-Nr.
85364900
Reach
2020-05-01 - Ja
Ursprungs-Land
CN
WEEE-Land
DE
WEEE-Nummer
40917098
Ausführung des elektrischen Anschlusses
Federzuganschluss
Komplettgerät mit Sockel
Mit abnehmbaren Klemmen
Mit LED-Anzeige
Bemessungssteuerspeisespannung DC
24 - 24 V
Spannungsart zur Betätigung
DC
Antrieb, Polung
gepolt
Schaltverhalten des Antriebs
monostabil
Anzahl der Kontakte als Öffner
0
Anzahl der Kontakte als Schließer
0
Anzahl der Kontakte als Wechsler
2
Art des Schaltkontaktes
Einfachkontakt
Mit zwangsgeführten Kontakten
Nennstrom
6 A
Schutzart (IP)
IP20
Breite
22,5 mm
Höhe
85 mm
Tiefe
85 mm
ETIM-Klasse
Schaltrelais

Zubehör

Oft zusammen gekauft