Zajadacz EVI

WAGO 859-304 Relaismodul,

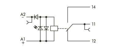
Eingangsnennspannung DC 24 V

Artikel
314676
Lieferanten Typ
859-304
Lieferanten Artikel
859-304

Beschreibung

Relaismodul Eingangsnennspannung DC 24 V 1 Wechsler Statusanzeige rot 6 mm Baubreite grau

Hersteller-Seite

Artikeleigenschaften

Zolltarif-Nr.
85364900
Reach
2020-05-01 - Ja
Ursprungs-Land
CN
WEEE-Land
DE
WEEE-Nummer
40917098
Ausführung des elektrischen Anschlusses
Federzuganschluss
Komplettgerät mit Sockel
Mit abnehmbaren Klemmen
Mit LED-Anzeige
Bemessungssteuerspeisespannung DC
24 - 24 V
Spannungsart zur Betätigung
DC
Antrieb, Polung
gepolt
Schaltverhalten des Antriebs
monostabil
Anzahl der Kontakte als Öffner
0
Anzahl der Kontakte als Schließer
0
Anzahl der Kontakte als Wechsler
1
Art des Schaltkontaktes
Einfachkontakt
Mit zwangsgeführten Kontakten
Nennstrom
5 A
Schutzart (IP)
IP20
Breite
6 mm
Höhe
91 mm
Tiefe
91 mm
ETIM-Klasse
Schaltrelais

Zubehör

Oft zusammen gekauft