Zajadacz EVI

WAGO 753-661/000-004 Sicherer Digital-

eingang, 4 Kanäle, DC 24 V, PROFIsafe

Artikel
6822148
Lieferanten Typ
753-661/000-004
Lieferanten Artikel
753-661/000-004

Beschreibung

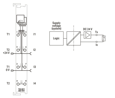
Sicherer Digitaleingang, 4 Kanäle; DC 24 V; PROFIsafe An das PROFIsafe-Modul 75x-661/000-004 können potentialfreie, kontaktbehaftete Not-Aus-Taster, Schutztürschalter, Betriebsartenwahlschalter, sichere Sensoren sowie sichere Halbleiterausgänge angeschlossen werden. Das Modul besitzt 4 taktsensitive Eingänge (I1 … I4), die von 2 unterschiedlich getakteten Ausgängen (T1 … T2) versorgt werden. Die Taktausgänge sind kurzschlussfest ausgeführt. Die Eingänge werden kontinuierlich auf Querschluss und Fremdeinspeisung überwacht. Diese und weitere sicherheitsrelevante Parameter wie z. B. Betriebsarten bzw. Abschalten der Testimpulse, Diskrepanzzeiten oder Filterzeiten können über WAGO-I/O-CHECK parametriert werden. Das Parametriertool kann in Engineeringsysteme, welche die Aufrufschnittstelle TCI (Tool Calling Interface) mit CC2 bzw. CC3 unterstützen, komfortabel integriert werden. Je nach Einstellung werden die Parameter bei Modultausch automatisch über einen PROFIsafe-konformen iPar-Server in der Steuerung heruntergeladen. An dem seitlich angeordneten Kodierschalter oder alternativ über WAGO-I/O-CHECK wird die PROFIsafe-Adresse eingestellt. Das Modul unterstützt die PROFIsafe Protokolle V2.4 (PROFIBUS, PROFINET) und V2.6 (PROFINET). Feld- und Systemebene sind galvanisch voneinander getrennt. Die Anordnung der einzelnen sicheren Module ist bei der Projektierung im Feldbusknoten beliebig. Sofern erforderlich (z. B. Leitungslänge der 24V-Einspeisung größer 3 m) ist zum Schutz gegen Surge und Burst (gemäß IEC 61000-6-7 und Schifffahrtsbereich) für die 24V-Einspeisung ein WAGO Filtermodul oder ein geeigneter externer Filter einzusetzen. Weitere Informationen sind dem Handbuch (Deutsch und Englisch) zu entnehmen! Das Modul 75x-661/000-004 wurde von UL gemäß den Standards UL/CSA 61010-1, UL/CSA 61010-2-201 und UL 121201, CSA-C22.2 No. 213 evaluiert. Die Bewertung der funktionalen Sicherheit nach den genannten Normen wurde vom TÜV Rheinland durchgeführt.

Hersteller-Seite

Artikeleigenschaften

Zolltarif-Nr.
85389099
Reach
2020-05-01 - Ja
Ursprungs-Land
DE
WEEE-Land
DE
WEEE-Nummer
40917098
Versorgungsspannung DC
24 - 24 V
Spannungsart der Versorgungsspannung
DC
Anzahl der digitalen Eingänge
4
Anzahl der digitalen Ausgänge
0
Digitale Eingänge konfigurierbar
Digitale Ausgänge konfigurierbar
Eingangsstrom bei Signal 1
3 mA
Zulässige Spannung am Eingang
18 - 31.2 V
Art der Eingangsspannung
DC
Kurzschlussschutz, Ausgänge vorhanden
Anzahl der HW-Schnittstellen Industrial Ethernet
0
Anzahl der Schnittstellen PROFINET
0
Anzahl der HW-Schnittstellen seriell RS-232
0
Anzahl der HW-Schnittstellen seriell RS-422
0
Anzahl der HW-Schnittstellen seriell RS-485
0
Anzahl der HW-Schnittstellen seriell TTY
0
Anzahl der HW-Schnittstellen parallel
0
Anzahl der HW-Schnittstellen Wireless
0
Anzahl der HW-Schnittstellen USB
0
Anzahl der HW-Schnittstellen sonstige
0
Mit optischer Schnittstelle
Unterstützt Protokoll für EtherCAT
Unterstützt Protokoll für TCP/IP
Unterstützt Protokoll für PROFIBUS
Unterstützt Protokoll für CAN
Unterstützt Protokoll für INTERBUS
Unterstützt Protokoll für ASI
Unterstützt Protokoll für KNX
Unterstützt Protokoll für Modbus
Unterstützt Protokoll für Data-Highway
Unterstützt Protokoll für DeviceNet
Unterstützt Protokoll für SUCONET
Unterstützt Protokoll für LON
Unterstützt Protokoll für PROFINET IO
Unterstützt Protokoll für PROFINET CBA
Unterstützt Protokoll für SERCOS
Unterstützt Protokoll für Foundation Fieldbus
Unterstützt Protokoll für EtherNet/IP
Unterstützt Protokoll für AS-Interface Safety at Work
Unterstützt Protokoll für DeviceNet Safety
Unterstützt Protokoll für INTERBUS-Safety
Unterstützt Protokoll für PROFIsafe
Unterstützt Protokoll für SafetyBUS p
Unterstützt Protokoll für sonstige Bussysteme
Funkstandard Bluetooth
Funkstandard WLAN 802.11
Funkstandard GPRS
Funkstandard GSM
Funkstandard UMTS
IO-Link Master
Systemkomponente
Schutzart (IP)
IP20
Ausführung des elektrischen Anschlusses
Federzuganschluss
Feldbusanschluss über seperaten Buskoppler möglich
Tragschienenmontage möglich
Wand-/Direktmontage möglich
Fronteinbau möglich
Rack-Montage möglich
Geeignet für Sicherheitsfunktionen
SIL nach IEC 61508
3
Performance Level nach EN ISO 13849-1
Level e
Zugehöriges Betriebsmittel (Ex ia)
Zugehöriges Betriebsmittel (Ex ib)
Explosionsschutz-Kategorie für Gas
ATEX Gas-Ex-Schutz, Kat. 3G
Explosionsschutz-Kategorie für Staub
ATEX Staub-Ex-Schutz, Kat. 3D
Zertifiziert für UL-Gefahrenbereich Klasse I
Zertifiziert für UL-Gefahrenbereich Klasse II
Zertifiziert für UL-Gefahrenbereich Klasse III
Zertifiziert für UL-Gefahrenbereich Division 1
Zertifiziert für UL-Gefahrenbereich Division 2
Zertifiziert für UL-Gefahrenbereich Gruppe A (Acetylen)
Zertifiziert für UL-Gefahrenbereich Gruppe B (Wasserstoff)
Zertifiziert für UL-Gefahrenbereich Gruppe C (Ethylen)
Zertifiziert für UL-Gefahrenbereich Gruppe D (Propan)
Zertifiziert für UL-Gefahrenbereich Gruppe E (Metallstäube)
Zertifiziert für UL-Gefahrenbereich Gruppe F (kohlenstoffhaltige Stäube)
Zertifiziert für UL-Gefahrenbereich Gruppe G (nicht leitende Stäube)
Breite
12 mm
Höhe
100 mm
Tiefe
67,8 mm
ETIM-Klasse
Feldbus, Dez. Peripherie - Digitales Ein-/Ausgangs-Modul