Zajadacz EVI

WAGO 858-324 Relaismodul,

Eingangsnennspannung DC 24 V

Artikel
3824329
Lieferanten Typ
858-324
Lieferanten Artikel
858-324

Beschreibung

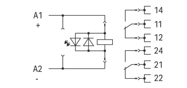
Relaismodul; Eingangsnennspannung DC 24 V; 2 Wechsler; Grenzdauerstrom 12 A; mit Handbedienung; Statusanzeige rot; 31 mm Baubreite; 1,50 mm²

Hersteller-Seite

Artikeleigenschaften

Zolltarif-Nr.
85364900
Ursprungs-Land
DE
WEEE-Land
DE
WEEE-Nummer
40917098
Ausführung des elektrischen Anschlusses
Federzuganschluss
Komplettgerät mit Sockel
Mit abnehmbaren Klemmen
Mit LED-Anzeige
Bemessungssteuerspeisespannung DC
24 - 24 V
Spannungsart zur Betätigung
DC
Antrieb, Polung
gepolt
Schaltverhalten des Antriebs
monostabil
Anzahl der Kontakte als Öffner
0
Anzahl der Kontakte als Schließer
0
Anzahl der Kontakte als Wechsler
2
Art des Schaltkontaktes
Einfachkontakt
Mit zwangsgeführten Kontakten
Nennstrom
12 A
Schutzart (IP)
IP20
Breite
31 mm
Höhe
97 mm
Tiefe
97 mm
ETIM-Klasse
Schaltrelais