Zajadacz EVI

WAGO 231-366/001-000 THT-Stiftleiste,

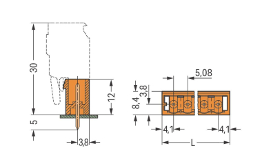
Lötstift 1,2 x 1,2mm, gerade,orange

Artikel
014526
Lieferanten Typ
231-366/001-000
Lieferanten Artikel
231-366/001-000

Beschreibung

THT-Stiftleiste; Lötstift 1,2 x 1,2 mm; gerade; Rastermaß 5,08 mm; 6-polig; orange

Hersteller-Seite

Artikeleigenschaften

Zolltarif-Nr.
85366930
Ursprungs-Land
PL
WEEE-Land
DE
WEEE-Nummer
40917098
Verbindungsart
flexibler Leiterplattenverbinder
Steckverbinderausführung
freier Steckverbinder
Kontaktausführung
Stift
Polzahl
6
Anzahl der Steckkontaktreihen
1
Rastermaß der Kontakte
5,08 mm
Rastermaß der Anschlüsse
5,08 mm
Winkel Leiterplatte/Kontakt
90° (vertikal nach oben)
Bemessungsstrom In
16 A
Bemessungsspannung
320 V
Bemessungsstoßspannung
4 kV
Überspannungskategorie
III
Verschmutzungsgrad
2
Werkstoff der Kontaktbeschichtung
Zinn
Ausführung des elektrischen Anschlusses
Lötanschluss
Länge des Pins
5 mm
Geeignet für Leiterplattendicke
1,5 mm
Werkstoff des Isolierkörpers
Thermoplast
Gehäusefarbe
orange
Brennbarkeitsklasse des Isolierstoffs nach UL94
V0
Betriebstemperatur
-60 - 100 °C
Art der Leiterplattenbefestigung
Anschlusskontakt
Befestigungsart
löten
Art der Banderolierung
ohne
ETIM-Klasse
Leiterplattensteckverbinder