Zajadacz EVI

WAGO 792-803 Überspannungsschutzmodul

für Signaltechnik,Nennspannung DC 24 V

Artikel
012084
Lieferanten Typ
792-803
Lieferanten Artikel
792-803

Beschreibung

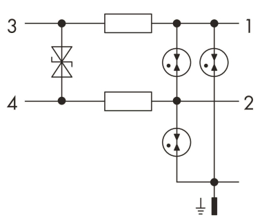
Reihenklemmen mit Überspannungsschutzfunktion
Überspannungsschutz für Anlagen und Geräte der Informationstechnik, CAGE CLAMP® COMPACT-Anschluss 0,08-2,5 mm2
Ausführung: Typ MDEX24 DC 24 V zum Schutz in eigensicheren Stromkreisen

Hersteller-Seite

Artikeleigenschaften

Zolltarif-Nr.
85363010
Ursprungs-Land
DE
WEEE-Land
DE
WEEE-Nummer
40917098
Nennspannung DC
24 - 24 V
Max. Dauerspannung AC
23 V
Max. Dauerspannung DC
33 V
Nennableitstoßstrom (8/20)
5 kA
Nennlaststrom
0,5 A
Schutzpegel Ader/Ader
50 V
Schutzpegel Ader/Erde
1500 V
Grenzfrequenz
6 MHz
Montageart
Hutschiene TH35
Anschluss 1
Klemme
Ableiterüberwachung
Mit Fernmeldekontakt
Signalisierung am Gerät
ohne
Explosionsgeprüfte Ausführung
Anzahl der Leiter (ohne Erde)
2
Baubreite
6 mm
ETIM-Klasse
Überspannungsableiter für Informations-/MSR-Technik

Zubehör

Oft zusammen gekauft