Zajadacz EVI

WISKA ATEX EX-EVSG 75

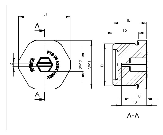
Kunststoffverschlussschraube M75x1,5,

Artikel
3126178
Lieferanten Typ
EX-EVSG 75
Lieferanten Artikel
10065308

Beschreibung

Zum sicheren Verschließen von nicht genutzten Gewinde- oder Durchgangslöchern mit 6-kt. Zugelassen nach ATEX und IECEx.

Hersteller-Seite

Artikeleigenschaften

Zolltarif-Nr.
39269097
Reach
2023-07-01 - Ja
Ursprungs-Land
DE
WEEE-Land
DE
WEEE-Nummer
46569835
Gewindeart
metrisch
Nenngewindenennmaß metrisch/PG
75
Gewindesteigung
1,5 mm
Werkstoff
Kunststoff
Werkstoffgüte
Polyamid (PA)
Oberflächenschutz
unbehandelt
Halogenfrei
Glasfaserverstärkt
Schlagfest
Farbe
schwarz
RAL-Nummer
9005
Explosionsgeprüfte Ausführung
Für Ex-Zone Gas
1, 2
Für Ex-Zone Staub
21, 22
Einsatztemperatur
-40 - 75 °C
Druckausgleichend
ETIM-Klasse
Verschlussschraube

Oft zusammen gekauft