Zajadacz EVI

WISKA Abzweigkasten COMBI 1010/leer/W

10qmm, IP66/67, weiß 10062210

Artikel
1877616
Lieferanten Typ
COMBI 1010 WH
Lieferanten Artikel
10062210

Beschreibung

COMBI Feuchtraum-Kabelabzweigkasten aus schwer entflammbaren, halogenfreien, verstärkten Thermoplast. Der Kasten mit hoher Schutzart ist witterungs- und UV-beständig, außerdem schlagfest und bruchsicher. Bestens geeignet bei extremer Beanspruchung oder Installation im Innen- und Außenbereich. Hohe Beständigkeit gegen pflanzliche und tierische Fette, Mineralöl, Diesel, schwache Säuren, schwache und starke Laugen sowie Alkohol. Ausbrechöffnungen seitlich und im Boden, in unterschiedlichen Größen, ermöglichen die Verwendung von Kabeleinführungen mit Kabelverschraubungen und Gegenmuttern. Unverlierbare Schnellverschluss-Deckelschrauben, schließen den Kasten mit nur einer Vierteldrehung. Befestigt wird der Kasten durch innenliegende Öffnungen außerhalb des Dichtbereiches.

Hersteller-Seite

Artikeleigenschaften

Zolltarif-Nr.
39269097
Reach
2023-07-01 - Ja
Ursprungs-Land
DE
WEEE-Land
DE
WEEE-Nummer
46569835
Ausführung
Verbindungskasten
Bestückung
ohne
Max. Leiterquerschnitt
10 qmm
Form
quadratisch
Montageart
Wand-/Deckenmontage
Montage im Erdreich
Montage unter Wasser
Für Rohrdurchmesser
sonstige
Anzahl der Einführungen
14
Einführung von hinten
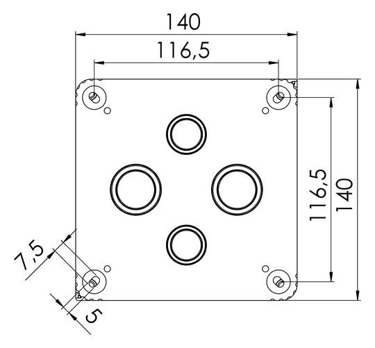
Länge
140 mm
Breite
140 mm
Tiefe
82 mm
Anzahl der mitgelieferten Kabelverschraubungen
0
Anreihbar
Art der Gehäusedurchführung
Vorprägung
Mit Zugentlastung
Werkstoff
Kunststoff
Halogenfrei
Oberflächenschutz
unbehandelt
Farbe
weiß
RAL-Nummer (ähnlich)
9001
Schutzart (IP)
IP66/IP67
Ausführung Deckel
Blinddeckel
Abgangsanschlüsse mit Steckverbindern für steckbare Gebäudeinstallation
Transparenter Deckel
Vergießbar
Deckelbefestigung
geschraubt
Mit Vergussmasse mitgeliefert
Plombierbar
Bemessungsisolationsspannung Ui
690 V
Funktionserhalt
ohne
Mit Abschirmung
Witterungsbeständig
Einsatztemperatur
-30 - 100 °C
Explosionsgeprüfte Ausführung
Für Ex-Zone Gas
ohne
Für Ex-Zone Staub
ohne
ETIM-Klasse
Dose, Gehäuse für Montage auf der Wand/Decke

Oft zusammen gekauft