Zajadacz EVI

WISKA Abzweigkasten COMBI 1610 LG

16qmm IP66 grau 10110735

Artikel
6410602
Lieferanten Typ
COMBI 1610 LG
Lieferanten Artikel
10110735

Beschreibung

COMBI Feuchtraum-Kabelabzweigkasten aus schwer entflammbaren, halogenfreien, verstärkten Thermoplast, in der 2 Komponenten-Kunststofftechnik kombiniert mit Durchstoßmembranen aus thermoplastischem Elastomer. Der Kasten mit hoher Schutzart ist witterungs- und UV-beständig, außerdem schlagfest und bruchsicher. Bestens geeignet bei extremer Beanspruchung oder Installation im Innen- und Außenbereich. Hohe Beständigkeit gegen pflanzliche und tierische Fette, Mineralöl, Diesel, schwache Säuren, schwache und starke Laugen sowie Alkohol. Dauerhaft elastische, selbstdichtende, seitliche Durchstoßmembranen in patentierter Kombination mit integriertem Gewinde machen sowohl die direkte Kabelmontage durch die Membran als auch den Einsatz von Kabelverschraubungen ohne Gegenmutter möglich. Unverlierbare Schnellverschluss-Deckelschrauben, schließen den Kasten mit nur einer Vierteldrehung. Der Kasten ist bestückt mit WAGO-Klemmen. Befestigt wird der Kasten durch einen Schnellmontagebügel oder innenliegende Öffnungen außerhalb des Dichtbereiches.

Hersteller-Seite

Artikeleigenschaften

Zolltarif-Nr.
39269097
Reach
2023-07-01 - Ja
Ursprungs-Land
DE
WEEE-Land
DE
WEEE-Nummer
46569835
Ausführung
Verbindungskasten
Bestückung
ohne
Max. Leiterquerschnitt
16 qmm
Form
rechteckig
Montageart
universal
Montage im Erdreich
Montage unter Wasser
Für Rohrdurchmesser
sonstige
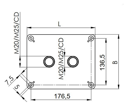
Anzahl der Einführungen
12
Einführung von hinten
Länge
200 mm
Breite
160 mm
Tiefe
94 mm
Anzahl der mitgelieferten Kabelverschraubungen
0
Anreihbar
Art der Gehäusedurchführung
Vorprägung
Mit Zugentlastung
Werkstoff
Kunststoff
Halogenfrei
Oberflächenschutz
unbehandelt
Farbe
grau
RAL-Nummer (ähnlich)
7035
Schutzart (IP)
IP66/IP67
Ausführung Deckel
Blinddeckel
Abgangsanschlüsse mit Steckverbindern für steckbare Gebäudeinstallation
Transparenter Deckel
Vergießbar
Deckelbefestigung
geschraubt
Mit Vergussmasse mitgeliefert
Plombierbar
Bemessungsisolationsspannung Ui
690 V
Funktionserhalt
ohne
Mit Abschirmung
Witterungsbeständig
Einsatztemperatur
-25 - 40 °C
Explosionsgeprüfte Ausführung
Für Ex-Zone Gas
ohne
Für Ex-Zone Staub
ohne
ETIM-Klasse
Dose, Gehäuse für Montage auf der Wand/Decke

Oft zusammen gekauft