Zajadacz EVI

WISKA WISKA COMBI 108 108/leer

108/leer

Artikel
1880236
Lieferanten Typ
COMBI 108 LG
Lieferanten Artikel
10060522

Beschreibung

COMBI Feuchtraum-Kabelabzweigkasten aus schwer entflammbaren, halogenfreien, glasfaserverstärktem Polypropylen, in der 2 Komponenten-Kunststofftechnik kombiniert mit Durchstoßmembranen aus thermoplastischem Elastomer. Der Kasten mit hoher Schutzart ist witterungs- und UV-beständig, außerdem schlagfest und bruchsicher. Bestens geeignet bei extremer Beanspruchung oder Installation im Innen- und Außenbereich. Hohe Beständigkeit gegen pflanzliche und tierische Fette, Mineralöl, Diesel, schwache Säuren, schwache und starke Laugen sowie Alkohol. Seitlich und im Boden befinden sich dauerhaft elastische, selbstdichtende Durchstoß-Membranen für werkzeugfreie Kabeleinführung.

Hersteller-Seite

Artikeleigenschaften

Zolltarif-Nr.
39269097
Reach
2023-07-01 - Ja
Ursprungs-Land
DE
WEEE-Land
DE
WEEE-Nummer
46569835
Ausführung
Verbindungskasten
Bestückung
ohne
Max. Leiterquerschnitt
2,5 qmm
Form
quadratisch
Montageart
Wand-/Deckenmontage
Montage im Erdreich
Montage unter Wasser
Für Rohrdurchmesser
sonstige
Anzahl der Einführungen
12
Einführung von hinten
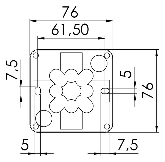
Länge
76 mm
Breite
76 mm
Tiefe
51 mm
Anzahl der mitgelieferten Kabelverschraubungen
0
Anreihbar
Art der Gehäusedurchführung
Dichtmembran
Mit Zugentlastung
Werkstoff
Kunststoff
Halogenfrei
Oberflächenschutz
unbehandelt
Farbe
grau
RAL-Nummer (ähnlich)
7035
Schutzart (IP)
IP66
Ausführung Deckel
Blinddeckel
Abgangsanschlüsse mit Steckverbindern für steckbare Gebäudeinstallation
Transparenter Deckel
Vergießbar
Deckelbefestigung
aufrastend
Mit Vergussmasse mitgeliefert
Plombierbar
Bemessungsisolationsspannung Ui
400 V
Funktionserhalt
ohne
Mit Abschirmung
Witterungsbeständig
Einsatztemperatur
-30 - 100 °C
Explosionsgeprüfte Ausführung
Für Ex-Zone Gas
ohne
Für Ex-Zone Staub
ohne
ETIM-Klasse
Dose, Gehäuse für Montage auf der Wand/Decke

Oft zusammen gekauft