Zajadacz EVI

HART Wanddurchf. und 09452151108

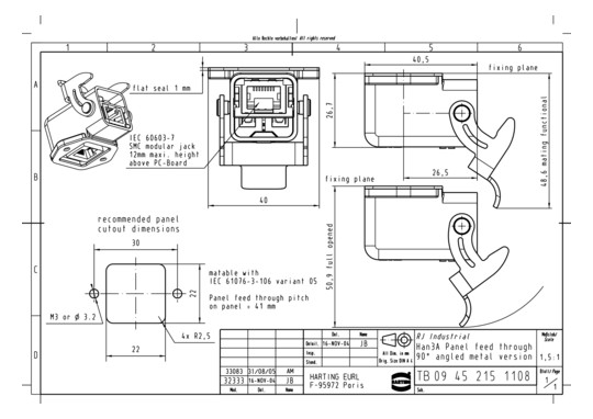
Kupplungen Data 3A 09452151108

Artikel
2901349
Lieferanten Typ
09452151108
Lieferanten Artikel
09452151108

Beschreibung

Steckverbinder, Wanddurchführung gewinkelt, Kontakte: 8, Baugröße: 3 A, Werkstoff: Zink-Druckguss, pulverbeschichtet, Schutzart: IP65, IP67

Hersteller-Seite

Artikeleigenschaften

Zolltarif-Nr.
85366990
Reach
2026-02-03 - Ja
Ursprungs-Land
RO
WEEE-Land
DE
WEEE-Nummer
19469086
Kontaktausführung
sonstige
Polzahl
8
Ausführung des elektrischen Anschlusses
sonstige
Werkstoff der Kontaktbeschichtung
sonstige
Werkstoff des Kontaktes
sonstige
Werkstoff des Isolierkörpers
sonstige
Werkstoff des Gehäuses
Zink
Beschichtung Gehäuse
pulverbeschichtet
Art der Verriegelung
sonstige
Brennbarkeitsklasse des Isolierstoffs nach UL94
sonstige
Betriebstemperatur
-40 - 70 °C
Schutzart (IP), montiert
IP65
EMV-Ausführung
Mit Dichtung
Anordnung der Kabelzuführung
sonstige
ETIM-Klasse
Rechtecksteckverbinder, Set (Industriesteckverbinder)

Oft zusammen gekauft