Zajadacz EVI

Phoenix 1458541 SAC-3P-MS/B-1L-Z SCO

Ventilstecker 3p Stecker ger. A-kodiert

Artikel
3800409
Lieferanten Typ
SAC-3P-MS/B-1L-Z SCO
Lieferanten Artikel
1458541

Beschreibung

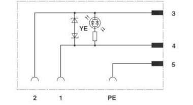
Ventilstecker, 3-polig, Stecker gerade M12, Kodierung: A, auf Ventilstecker B (10 mm), mit 1 LED, Beschaltung: Z-Diode

Hersteller-Seite

Artikeleigenschaften

Zolltarif-Nr.
85366990
Reach
2025-10-09 - Ja
Ursprungs-Land
PL
WEEE-Land
DE
WEEE-Nummer
50738265
Polzahl
3
Bemessungsspannung
24 V
Bemessungsstrom
4 A
Werkstoff des Gehäuses
sonstige
Werkstoff der Kontaktbeschichtung
Zinn
Verschmutzungsgrad
3
Brennbarkeitsklasse des Isolierstoffs nach UL94
HB
Betriebstemperatur
-25 - 85 °C
Schutzart (IP), montiert
IP65
Min. Anzahl der Steckzyklen
50
Mit PE-Anschluss
Mit Statusanzeige
ETIM-Klasse
Ventilstecker (feldkonfektionierbar)