MAICO Rohrventilator DZR 40/4 B

Artikel
181110
Lieferanten Typ
DZR 40/4 B
Lieferanten Artikel
0086.0030

Beschreibung

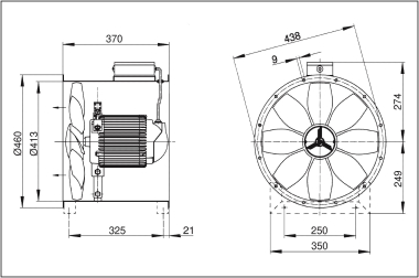
Drehstrom-Ausführung: Axial-Rohrventilator, in Drehstromausführung. Kurzbeschreibung: Rohrhülse aus verzinktem Stahlblech, beidseitig mit Flansch. 8-blättrige Flügelräder aus glasfaserverstärktem Polyamid. Flanschbohrungen gemäß DIN EN 12220:1998. DZR 56/6 B und DZR 56/4 B: Flanschbohrungen gemäß DIN EN 12220: 1998. Zur Vermeidung von Schwingungsübertragungen auf das Rohrsystem: Elastische Verbindungsstutzen, Füße und Schwingungsdämpfer verwenden. Thermischer Überlastungsschutz serienmäßig. Ventilatoren erfüllen die Anforderungen der europäischen Ökodesign Verordnung (EG) Nr.327/2011 Richtlinie 2009/125/EG. Vibrationsfreier Lauf durch dynamisch gewuchtetes Flügelrad und Motor (Welle-Rotor), gemäß Gütestufe 6.3, DIN ISO 1940, Teil 1. Hoher lüftungsseitiger Wirkungsgrad, niedriges Betriebsgeräusch. Erhöhte Langlebigkeit durch qualitativ hochwertige Materialien wie geräuscharme Kugellager. Ventilatoren sind wartungsfrei. Einbau in jeder Lage möglich. Förderrichtung: Die Förderrichtung ist gekennzeichnet. Standard Abluftbetrieb, Förderrichtung über Motor saugend. Drehstrommotor: Typenreihe DZR. Asynchronmotor. Nicht zur Förderung wasserdampfgesättigter Luft geeignet. Bemessungsspannung 400 V, 50 Hz. Hohe Schutzart IP 55. Ausnahme DZR ... D IP 54. Drehzahlsteuerbar. Ausnahme bei Typ DZR 40/2 B. Geräte lassen sich mit einem optionalen 5-Stufentransformator stufenweise schalten. Reversierbar. Reversierbetrieb: Der Volumenstrom verringert sich um ca. 35 % bei anomaler Förderrichtung. Thermischer Überlastungsschutz serienmäßig. Ausnahme bei Typ DZR 25/4 D und polumschaltbaren Axial-Rohrventilatoren auf Anfrage erhältlich. Die Anschlüsse sind potenzialfrei auf Klemmen geführt und müssen an einen Motorvollschutzschalter z.B. MV 25-1 oder den Steuerstromkreis eines Schützes angeschlossen werden. Polumschaltbare Ventilatoren: Überlastungsschutz mit bauseitig zu beschaffendem Motorvollschutzschalter gewährleisten. Elektrischer Anschluss: Außenliegender Klemmenkasten mit Kabeltüllen. Sicherheitshinweise: Der Ventilator darf nur in Betrieb genommen werden, wenn der Berührungsschutz des Laufrades gemäß DIN EN ISO 13857 gewährleistet ist z.B. mit Maico Schutzgitter SG.Artikel: DZR 40/4 B, Fördervolumen: 4590 m3/h, FördervolumenNenn: 3210 m3/h / im opt. Wirkungsgrad, Druck pfs, Nenn: 98 Pa - im opt. Wirkungsgrad, Drehzahl nNenn: 1460 1/min - im opt. Wirkungsgrad, Drehzahl: 1474 1/min, Laufradtyp: axial, Drehzahlsteuerbar: ja, Reversierbarkeit: ja, Spannungsart: Drehstrom, Bemessungsspannung: 400 V, Netzfrequenz: 50 Hz, Nennleistung: 230 W / im opt. Wirkungsgrad, INenn: 0,6 A / im opt. Wirkungsgrad, IMax: 0,7 A, Schutzart: IP 55, Wärmeklasse: B, Polumschaltbar: nein, Netzzuleitung: 7 / 1,5 mm2, Einbaulage: waagerecht / senkrecht, Material: Stahlblech, verzinkt, Farbe: silber, Gewicht: 11,7 kg, Gewicht mit Verpackung: 13,66 kg, Nennweite: 400 mm, Breite: 438 mm, Höhe: 438 mm, Tiefe: 370 mm, Breite mit Verpackung: 500 mm, Höhe mit Verpackung: 510 mm, Tiefe mit Verpackung: 400 mm, Fördermitteltemperatur bei Nennstrom: 60 °C, Fördermitteltemperatur bei IMax: 60 °C, Gesamteffizienz e: 54,5 %, Messkategorie: D, Effizienzkategorie: total, Effizienzgrad N: 65,1, VSD erforderlich: nein, Herstellungsjahr: siehe Typenschild, Herstellername / Amtliche Registriernummer / Niederlassungsort des Herstellers: Maico Elektroapparate-Fabrik GmbH / Registergericht Freiburg, HRB 601233 / Villingen-Schwenningen, PBEP / FördervolumenBEP / Pfs, BEP: 0,205 kW / 4020 m3/h, nBEP: 1465 1/min, spezifisches Verhältnis: ca. 1, Informationen zur Zerlegung und Entsorgung: siehe Montageanleitung, Informationen zu Einbau, Betrieb und Instandhaltung: siehe Montageanleitung, Verwendete Gegenstände bei der Effizienz-Messung, die nicht durch die Messkategorie beschrieben sind: -, pf, BEP: 100 Pa, SchallleistungspegelLWA5: 76 dB(A), Gleichstrommotor: false

Hersteller-Seite

Artikeleigenschaften

Zolltarif-Nr.
84145925
Ursprungs-Land
DE
WEEE-Land
DE
WEEE-Nummer
78107228
Werkstoff des Gehäuses
rostfreier Stahl
Luftmenge unbelastet
4020 cbm/h
Anschlussspannung
400 V
Gleichstrommotor
Schutzart (IP)
IP55
Polumschaltbar
Länge
370 mm
ETIM-Klasse
Ventilator für Rohreinbau