Zajadacz EVI

effeff E-Ö 118F.24 RR FH 118F.24-----A71

ProFix2 10-24V AC/DC (11-13V DC EE) Uni

Artikel
3584052
Lieferanten Typ
118F.24-----A71
Lieferanten Artikel
118F.24-----A71

Beschreibung

Modell mit bipolarer Schutzdiode. Passend zu den effeff-Schließblechen 78A, 44B, 63B und 82B. Rückmeldekontakt als potentialfreier Wechselkontakt. Dieser wird von der Schlossfalle betätigt. Geeignet für Brandschutztüren.|Auch als Sicherheitstüröffner verwendbar.

Artikeleigenschaften

Zolltarif-Nr.
83014019
Ursprungs-Land
DE
WEEE-Land
DE
WEEE-Nummer
69404980
Ausführung
sonstige
Bauform
symmetrisch
Einbaulage
universal
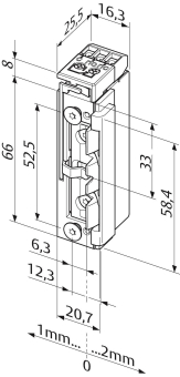
Höhe
74 mm
Breite
20,4 mm
Tiefe
25,5 mm
Zusammenstellung
Rahmenteil
Spannung
10 - 24 V
Mit Arretierung
Mit mechanischer Entriegelung
Mit Rückmeldung
Öffnungsrichtung nach DIN
links/rechts
Wassergeschützt
Montageart
Einbau
Kompatibel mit Apple HomeKit
Kompatibel mit Google Assistant
Stromart
AC/DC
Arbeitsweise
Arbeitsstrom
Kompatibel mit Amazon Alexa
IFTTT-Unterstützung verfügbar
Pulskontakt
Verstellbare Türöffnerfalle
Verstellbarer Türöffner
Verstellbares Schließblech
Fallenführung integriert
Für Fallenrutsche
Art der Entriegelung
Standardausführung
Dauerbetrieb (100 % ED)
Mechanische Entriegelung
Geeignet für Feuerschutztür
Geeignet für Rauchschutztür
Stulpform
ohne
Mit Schließblech
Gebrauchskategorie nach EN 14846
3
Dauerfunktionstüchtigkeit nach EN 14846
X
Masse der Tür, Schließkraft nach EN 14846
5
Geeignet für Feuer-/Rauchschutztüren nach EN 14846
C
Umgebungsbedingung nach EN 14846
0
Sicherheit - Einbruchschutz nach EN 14846
0
Schutzwirkung elektrische Funktionsweise nach EN 14846
1
Schutzwirkung mechanische Funktionsweise nach EN 14846
sonstige
VdS-Klasse
Klasse C
ETIM-Klasse
Elektrischer Türöffner

Oft zusammen gekauft