Zajadacz EVI

f-tronic ZSA172-2,eHZ-HAK-HO

Zähleranschlusssäule 2feldEHZ 7140001

Artikel
5353721
Lieferanten Typ
ZSA172-2-eHZ-HAK-HO
Lieferanten Artikel
7160001

Beschreibung

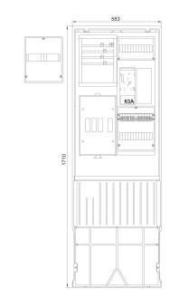
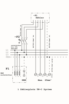
Ausstattung · Hausanschlusskasten NH00/3 · Anschlussraum 4 x Sammelschienen mit: · Anschlussklemme, Vorbereitung für Hauptsicherungsautomat · Abdeckung mit Ausschnitt für SH-Schalter · Zählerplatte 1 x eHZ 300 x 250 mm ohne IP54-Haube · Anschlussraum 300 x 250 mm mit: · Hauptleitungsabzweigklemme 5-polig 25 mm² isoliert · Freibereich (Leerplatz) ca. 250 x 150 mm für Nachrüstung · Mit Doppelschloss inkl. 1 Zylinder eingebaut

Hersteller-Seite

Artikeleigenschaften

Zolltarif-Nr.
85381000
Ursprungs-Land
DE
Bemessungsstrom
63 A
Ausführung
elektronischer Haushaltszähler (eHZ)
Anzahl der Zählerplätze
1
Anzahl der SG-Plätze
0
Netzseitiger Anschlussraum
mit Sammelschiene 5-polig
Montageart
sonstige
Werkstoff
Kunststoff
Farbe
grau
RAL-Nummer
7035
Anzahl der Verteilerreihen
0
Anzahl der Felder
2
Mit Montageplatte
Schutzart (IP)
IP44
Breite
583 mm
Höhe
1710 mm
Tiefe
277,5 mm
Einbaubreite
583 mm
Einbauhöhe
1710 mm
Einbautiefe
277,5 mm
ETIM-Klasse
Zähler-Komplettschrank

Zubehör

Oft zusammen gekauft