Zajadacz EVI

f-tronic ZSA201-1-ZK-HAK--HG

Zähleranschlusssäule 1feld3.HZ 7140101

Artikel
5353725
Lieferanten Typ
ZSA201-1-ZK-HAK-HG
Lieferanten Artikel
7160101

Beschreibung

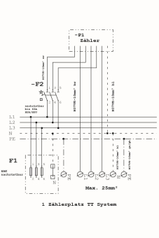
Ausstattung · Hausanschlusskasten NH00/3 · Anschlussraum 5 x Sammelschienen (PE abgedeckt) mit: · Anschlussklemme, Vorbereitung für Hauptsicherungsautomat · Abdeckung mit Ausschnitt für SH-Schalter · Zählerplatte 450 x 250 mm mit IP54-Haube · Anschlussraum 150 x 250 mm mit: · Hauptleitungsabzweigklemme 5-polig 25 mm² isoliert · Anschlusspunkt für lokale Erdung (TT Netz) unter HAF: · 1 x Anschlussklemme USLKG 50 mm² · Mit Doppelschloss inkl. 1 Zylinder eingebaut

Hersteller-Seite

Artikeleigenschaften

Zolltarif-Nr.
85381000
Ursprungs-Land
DE
Bemessungsstrom
63 A
Ausführung
1-stöckig
Anzahl der Zählerplätze
1
Anzahl der SG-Plätze
0
Netzseitiger Anschlussraum
mit Sammelschiene 5-polig
Montageart
sonstige
Werkstoff
Kunststoff
Farbe
grau
RAL-Nummer
7035
Anzahl der Verteilerreihen
0
Anzahl der Felder
1
Mit Montageplatte
Schutzart (IP)
IP54
Breite
350 mm
Höhe
2010 mm
Tiefe
277,5 mm
Einbaubreite
350 mm
Einbauhöhe
2010 mm
Einbautiefe
277,5 mm
ETIM-Klasse
Zähler-Komplettschrank

Zubehör

Oft zusammen gekauft