Zajadacz EVI

f-tronic ZSA202-2-ZK-APZ-HO

Zähleranschlusssäule 2-feldrig 7160167

Artikel
6538823
Lieferanten Typ
ZSA202-2-ZK-APZ-HO
Lieferanten Artikel
7160167

Beschreibung

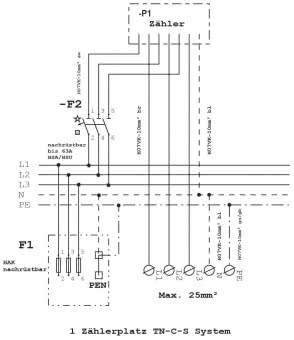
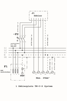
Ausstattung · Montagevorrichtung für Hausanschlusskasten NH00/3 · Anschlussraum 5 x Sammelschienen mit: · Anschlussklemme, Vorbereitung für Hauptsicherungsautomat · Abdeckung mit Ausschnitt für SH-Schalter · Zählerplatte 450 x 250 mm ohne IP54-Haube · Anschlussraum 300 x 250 mm mit: · Hauptleitungsabzweigklemme 5-polig 25 mm² isoliert · Anschlussraum 300 x 250 mm vorbereitet für APZ: · 1 x RJ45 Buchse, 1 x Montageschiene, 1 x Hutschiene · Freibereich (Leerplatz) ca. 550 x 250 mm für Nachrüstung · Mit Doppelschloss inkl. 1 Zylinder eingebaut

Hersteller-Seite

Artikeleigenschaften

Zolltarif-Nr.
85381000
Ursprungs-Land
DE
Breite
583 mm
Höhe
2010 mm
Tiefe
277,5 mm
ETIM-Klasse
Zähler-Komplettschrank

Oft zusammen gekauft