Zajadacz EVI

DEHN Üs-Ableiter 907430

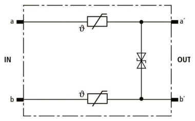
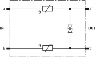
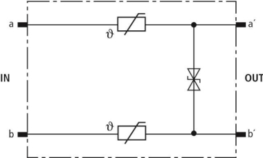
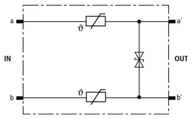
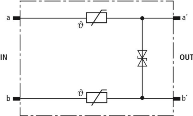
Dehnrapid LSA Schutzst DRL PD 180

Artikel
2233663
Lieferanten Typ
DRL PD 180
Lieferanten Artikel
907430

Beschreibung

DEHNrapid LSA; PD 180

Schutzstecker 1 DA energetisch koordiniert zu DRL-Steckmagazin als einstufiger Endgeräteschutz. Niedriger Schutzpegel Ader-Ader und integrierter Überstromschutz für ADSL, a/b-Adern. Montage mit EF 10 DRL. Installation nur in Verbindung mit dem DRL-Steckmagazin empfohlen.

Hersteller-Seite

Artikeleigenschaften

Zolltarif-Nr.
85363010
Reach
2025-07-16 - Ja
Ursprungs-Land
RO
WEEE-Land
DE
WEEE-Nummer
11890845
Nennspannung DC
180.0 - 180.0 V
Höchste Dauerspannung AC
127 V
Höchste Dauerspannung DC
180 V
Nennableitstoßstrom (8/20)
10 kA
Blitzstoßstrom (10/350 µs)
5 kA
Nennlaststrom
0,1 A
Schutzpegel Ader/Ader
270 V
Grenzfrequenz
61 MHz
Montageart
LSA-Plus steckbar
Ableiterüberwachung
Mit Fernmeldekontakt
Explosionsgeprüfte Ausführung
Trennmöglichkeit des Signalkreises
Anzahl der Leiter (ohne Erde)
2
Erdung über
sonstige
Baubreite
9,4 mm
Schutzart (IP)
IP20
ETIM-Klasse
Überspannungsableiter für Informations-/MSR-Technik

Zubehör

Oft zusammen gekauft